Качественные детали и логистика
Оригинальные и аналоговые запчасти с доставкой по России, Казахстану и Беларуси
©2022 PartSell ООО "Система" ИНН 2463123282 ОГРН 1212400004838
Центральный офис: г. Красноярск, Академика Киренского, д.87, пом.4
Телефон: 8 (800) 777-65-74 Email: zakaz@partsell.ru
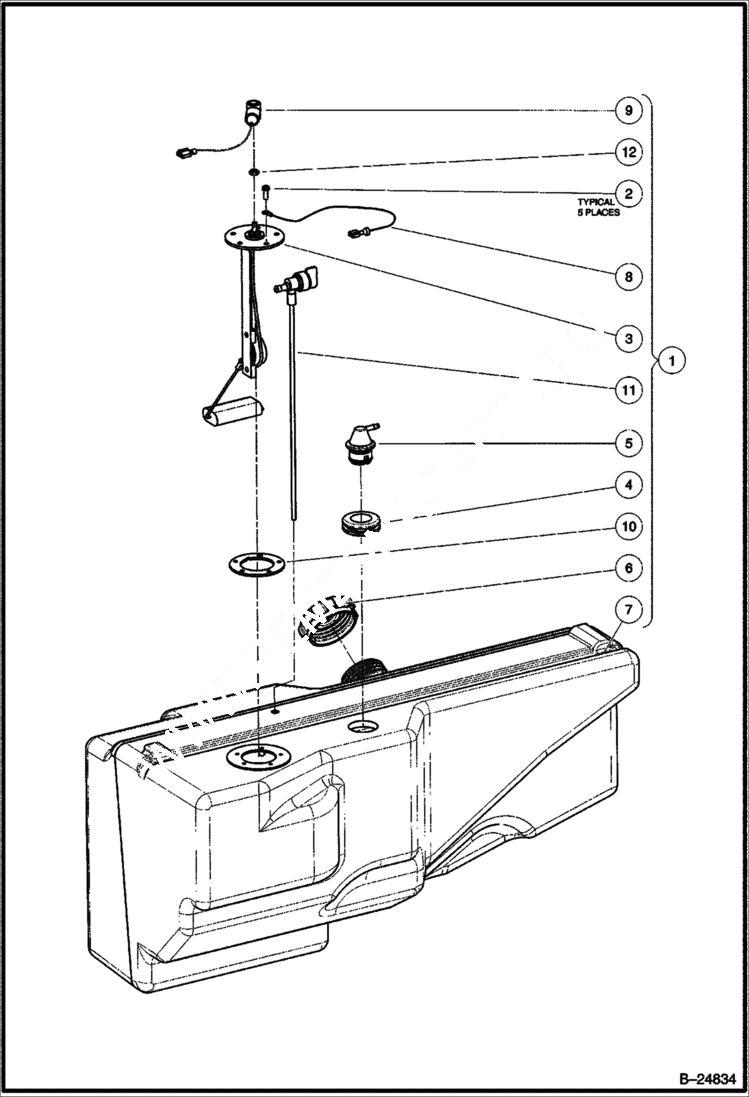
FUEL TANK Gasoline
№
Артикул
Название
Примечание
Количество
1
103963701CC
TANK, FUEL W/Ref. 2-12 - Was 103956701CC - A
2
1013461CC
SCREW
3
1013462CC
SENDER
4
1015139CC
GROMMET Use W/Ref. 1 (NLA/ 102952102CC, 103664501CC & 103956701CC fuel tank)
103944301CC
GROMMET Use W/Ref. 1 (103963701CC fuel tank)
5
103923101CC
KIT, FUELTANK VENT Was 1015143CC - A
6
7031365
CAP, GAS Was 102751601CC - A
7
TANK SIDEFILL NLA - Was 102367002CC - A
8
WIRE ASM N/A
9
10
102522001CC
GASKET
11
102670901CC
VALVE
12
8797CC
NUT
Выбрано товаров: 0