Запчасти Bobcat 2200 LIGHTING KIT ACCESSORIES & OPTIONS

Схема запчастей Bobcat 2200 - LIGHTING KIT ACCESSORIES & OPTIONS
FIT
1:1
100%

Артикул

Название

Примечание

Количество

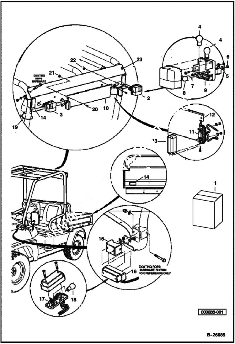
1

103183801CC

LIGHTING KIT W/Ref. 2 - 23

2

102709102CC

REAR LAMP Order components - passenger side - W/Ref. 4 - 9

3

102709101CC

REAR LAMP driver side - W/Ref. 4 - 9

4

BULB NLA - Was 102708001CC - A

5

183CC

WASHER

6

NUT NLA - Order 4DM5 - Was 102720201CC - A

7

BOLT NLA - Was 96705736CC - A

8

102708101CC

BULB 12v10w

9

102487301CC

RIGHT REAR SIGNAL LAMP

9

102487201CC

LEFT REAR SIGNAL LAMP

10

102710701CC

LAMP KIT W/Ref. 12 - 14

11

102710401CC

BULB

12

PLATE NLA - Order 102710701CC lamp kit - Was 102678501CC - A

13

102708701CC

LAMP license plate

14

102679501CC

REFLECTOR red

15

103173501CC

BRACKET

16

102709001CC

FLASHER ASM W/Ref. 17 & 18

17

102707901CC

FLASHER LAMP

18

BULB NLA - Was 102708001CC - A

19

8990CC

TIE STRAP

20

102490301CC

BOLT m6 x1 x16 with threadlocker

21

102621501CC

NUT

22

LOCKNUT NLA - Order 43DM5 nut - Was 102720301CC - A

23

103290801CC

BRACKET

Выбрано товаров: 24