Качественные детали и логистика
Оригинальные и аналоговые запчасти с доставкой по России, Казахстану и Беларуси
©2022 PartSell ООО "Система" ИНН 2463123282 ОГРН 1212400004838
Центральный офис: г. Красноярск, Академика Киренского, д.87, пом.4
Телефон: 8 (800) 777-65-74 Email: zakaz@partsell.ru
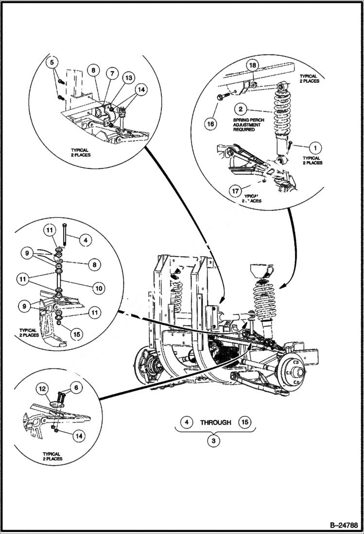
FRONT SUSPENSION HIGH-CAPACITY OPTION
№
Артикул
Название
Примечание
Количество
1
102298240CC
BOLT
2
102394002CC
FRONT COIL OVER SHOCK Was 102394001CC - A
3
102468802CC
KIT ANTI-SWAY BAR
4
1016183CC
SCREW, 3/8-16 X 7.00 HEX CAP
5
102298130CC
6
7
102446601CC
BUSHING
8
102464601CC
BAR SWAY
9
102470101CC
10
102470501CC
SLEEVE
11
102470601CC
WASHER
12
102477201CC
MOUNT
13
102495001CC
BRACKET
14
102618601CC
NUT
15
8754CC
16
102616301CC
17
18
102620501CC
Выбрано товаров: 0