Качественные детали и логистика
Оригинальные и аналоговые запчасти с доставкой по России, Казахстану и Беларуси
©2022 PartSell ООО "Система" ИНН 2463123282 ОГРН 1212400004838
Центральный офис: г. Красноярск, Академика Киренского, д.87, пом.4
Телефон: 8 (800) 777-65-74 Email: zakaz@partsell.ru
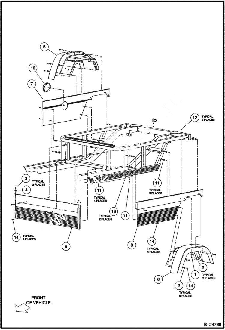
REAR BODY TRIM
№
Артикул
Название
Примечание
Количество
1
1012769CC
SCREW
2
1014306CC
WASHER
3
1014321CC
4
101438702CC
CORNER CAP AWD
5
102251601CC
FENDER Was 102251602CC - A
6
102251701CC
FENDER Was 102251702CC - A
7
102454001CC
PANEL SIDE PASS
8
102454101CC
PANEL SIDE DRV
9
102454201CC
PANEL FRONT
10
102466201CC
BEZEL
11
102491701CC
NUT
12
102621501CC
13
102684501CC
14
8251CC
15
REAR BED FRAME NLA - Was 102794401CC - A
Выбрано товаров: 0