Качественные детали и логистика
Оригинальные и аналоговые запчасти с доставкой по России, Казахстану и Беларуси
©2022 PartSell ООО "Система" ИНН 2463123282 ОГРН 1212400004838
Центральный офис: г. Красноярск, Академика Киренского, д.87, пом.4
Телефон: 8 (800) 777-65-74 Email: zakaz@partsell.ru
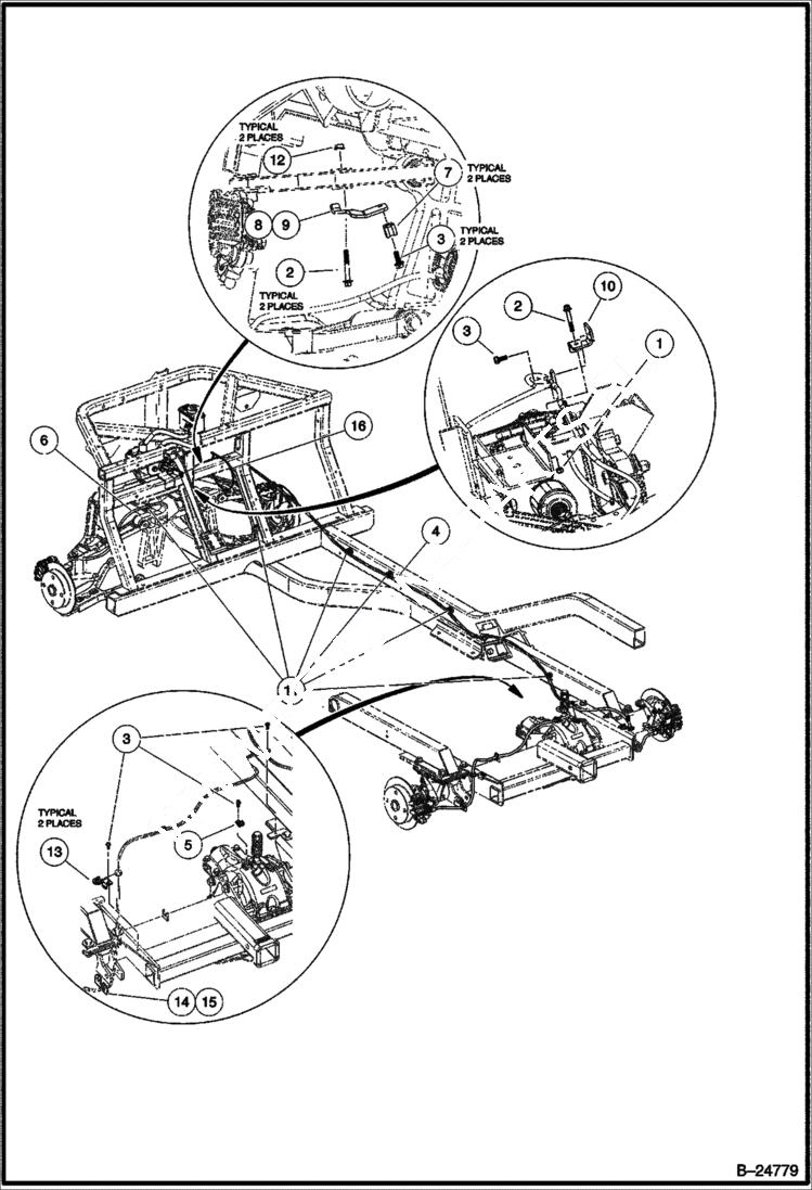
HYDRAULIC BRAKE LINES & CLIPS
№
Артикул
Название
Примечание
Количество
1
101887601CC
NUT
2
102296140CC
BOLT
3
102296716CC
SCREW
4
102407801CC
BRAKELINE REAR complete from master cylinder to both rear wheels
5
102410603CC
CLAMP
6
102407901CC
BRAKELINE FRONT
7
8
102474101CC
BRACKET left
9
102474102CC
BRACKET right
10
102474301CC
BRACKET
11
102475701CC
CLIP
12
102617101CC
13
102689001CC
BRKT LINE HYD RECVR
14
102689101CC
BRKT LINE HYD SHK MNT DRV
15
102689102CC
BRKT LINE HYD SHK MNT PASS
16
8639CC
TIE STRAP
Выбрано товаров: 0