Качественные детали и логистика
Оригинальные и аналоговые запчасти с доставкой по России, Казахстану и Беларуси
©2022 PartSell ООО "Система" ИНН 2463123282 ОГРН 1212400004838
Центральный офис: г. Красноярск, Академика Киренского, д.87, пом.4
Телефон: 8 (800) 777-65-74 Email: zakaz@partsell.ru
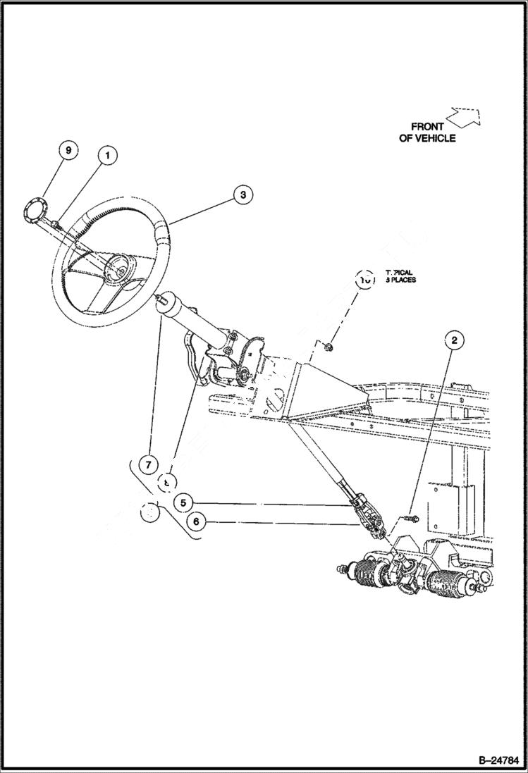
STEERING COLUMN
№
Артикул
Название
Примечание
Количество
1
102290120CC
BOLT
2
102298130CC
3
102363802CC
STEERING WHEEL
4
103859901CC
STEERING COLUMN Was 102364201CC - A
5
6
KNUCKLE STEERING CLIDER not available
7
102571301CC
SHROUD, COLUMN STEERING
8
COLUMN STEERING not available
9
102367101CC
CAP STEERING WHEEL
10
102618601CC
NUT
Выбрано товаров: 0