Запчасти Bobcat 2200 COOLANT PIPES & HOSES Diesel POWER UNIT

Схема запчастей Bobcat 2200 - COOLANT PIPES & HOSES Diesel POWER UNIT
FIT
1:1
100%

Артикул

Название

Примечание

Количество

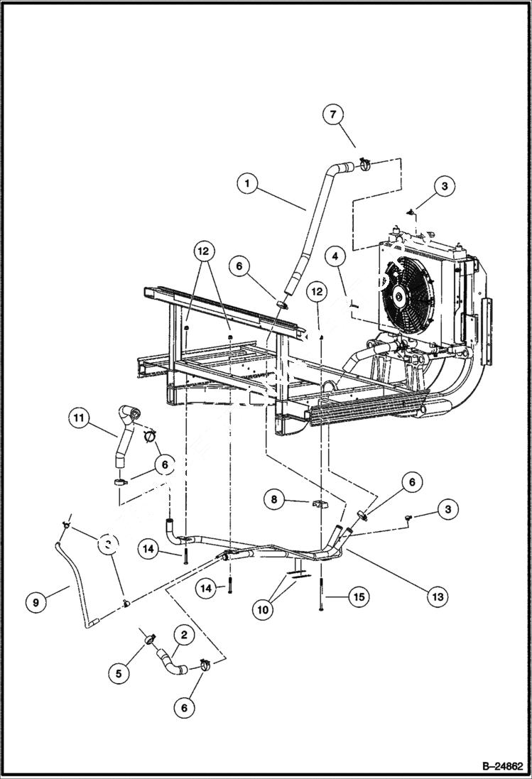
1

102377501CC

HOSE

2

102377601CC

HOSE

3

102411204CC

CLAMP

4

102411205CC

CLAMP

5

102411206CC

CLAMP

6

102411207CC

CLAMP

7

102411208CC

CLAMP

8

102427601CC

CLAMP

9

102435001CC

HOSE VENT TUBE

10

102458901CC

DECAL WARNING

11

102480501CC

HOSE

12

102618601CC

NUT

13

102628701CC

PIPE COOLANT, ASSY

14

102618301CC

BOLT Was 96712252CC - A

15

96747126CC

BOLT

Выбрано товаров: 15