Качественные детали и логистика
Оригинальные и аналоговые запчасти с доставкой по России, Казахстану и Беларуси
©2022 PartSell ООО "Система" ИНН 2463123282 ОГРН 1212400004838
Центральный офис: г. Красноярск, Академика Киренского, д.87, пом.4
Телефон: 8 (800) 777-65-74 Email: zakaz@partsell.ru
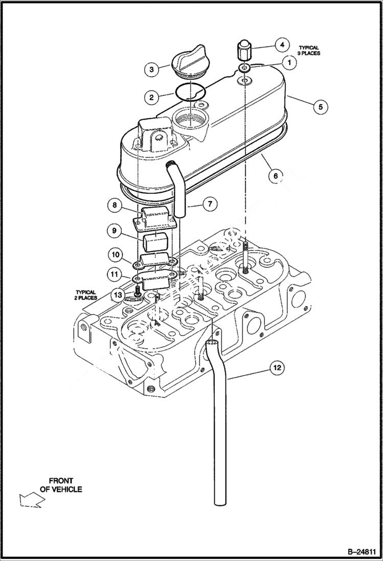
HEAD COVER Diesel
№
Артикул
Название
Примечание
Количество
1
102635301CC
GAKSET
2
102644001CC
O-RING
3
102644101CC
PLUG OIL FILLER
4
102644201CC
NUT
5
102644401CC
COVER
6
102644501CC
GASKET
7
102644601CC
JOINT BREATHER PIPE
8
102644701CC
PLATE BREATHER ELEMENT TOP
9
102644801CC
ELEMENT BREATHER
10
102644901CC
PLATE BREATHER ELEMENT BOT
11
102645001CC
OIL SHIELD BREATHER
12
102645401CC
PIPE BREATHER
13
102727601CC
SCREW
Выбрано товаров: 0