Запчасти Bobcat 2200 VALVES & ROCKER ARMS Diesel POWER UNIT

Схема запчастей Bobcat 2200 - VALVES & ROCKER ARMS Diesel POWER UNIT
FIT
1:1
100%

Артикул

Название

Примечание

Количество

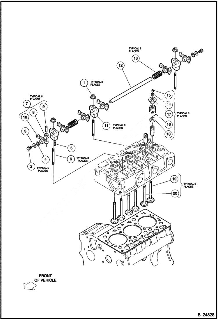
1

102632001CC

NUT

2

102646401CC

BOLT

3

6670520

WASHER Was 102651301CC - A

4

6687675

WASHER, SPRING Was 6670519 - A

5

6598098

PIN Was 102651801CC - A

6

102651901CC

STUD

7

6670527

ROCKER ARM W/Ref. 8-10 - Was 102652001CC - A

8

6670529

NUT Was 102651501CC - A

9

6670528

SCREW Was 102651701CC - A

10

ARM N/A

11

6688063

BRACKET Was 102652201CC - A

12

6670518

SHAFT Was 102652601CC - A

13

6670526

SPRING, ROCKER ARM Was 102652701CC - A

14

6670515

COLLET set of (2) - Was 102652901CC - A

15

6670516

CAP Was 102653001CC - A

16

6670513

SPRING Was 102653101CC - A

17

6670514

RETAINER Was 102653201CC - A

18

6670517

SEAL Was 102653301CC - A

19

6670512

VALVE exhaust - Was 102653601CC - A

20

6670511

VALVE inlet - Was 102653701CC - A

Выбрано товаров: 20