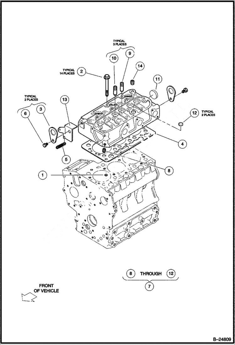
Запчасти Bobcat 2200 CYLINDER HEAD Diesel POWER UNIT

Схема запчастей Bobcat 2200 - CYLINDER HEAD Diesel POWER UNIT
FIT
1:1
100%

Артикул

Название

Примечание

Количество

1

102600301CC

O-RING

2

102652801CC

BOLT

3

102653901CC

HOOD

4

102654101CC

GASKET

5

102701001CC

SPRING

6

102726701CC

BOLT

7

102726801CC

HEAD CYLINDER COMPL

8

102600801CC

PLUG

9

102653401CC

GUIDE VALVE

10

102653501CC

GUIDE

11

102726901CC

CAP

12

102727001CC

CAP

13

102727101CC

STAY

14

102727201CC

PLUG

Выбрано товаров: 14