Качественные детали и логистика
Оригинальные и аналоговые запчасти с доставкой по России, Казахстану и Беларуси
©2022 PartSell ООО "Система" ИНН 2463123282 ОГРН 1212400004838
Центральный офис: г. Красноярск, Академика Киренского, д.87, пом.4
Телефон: 8 (800) 777-65-74 Email: zakaz@partsell.ru
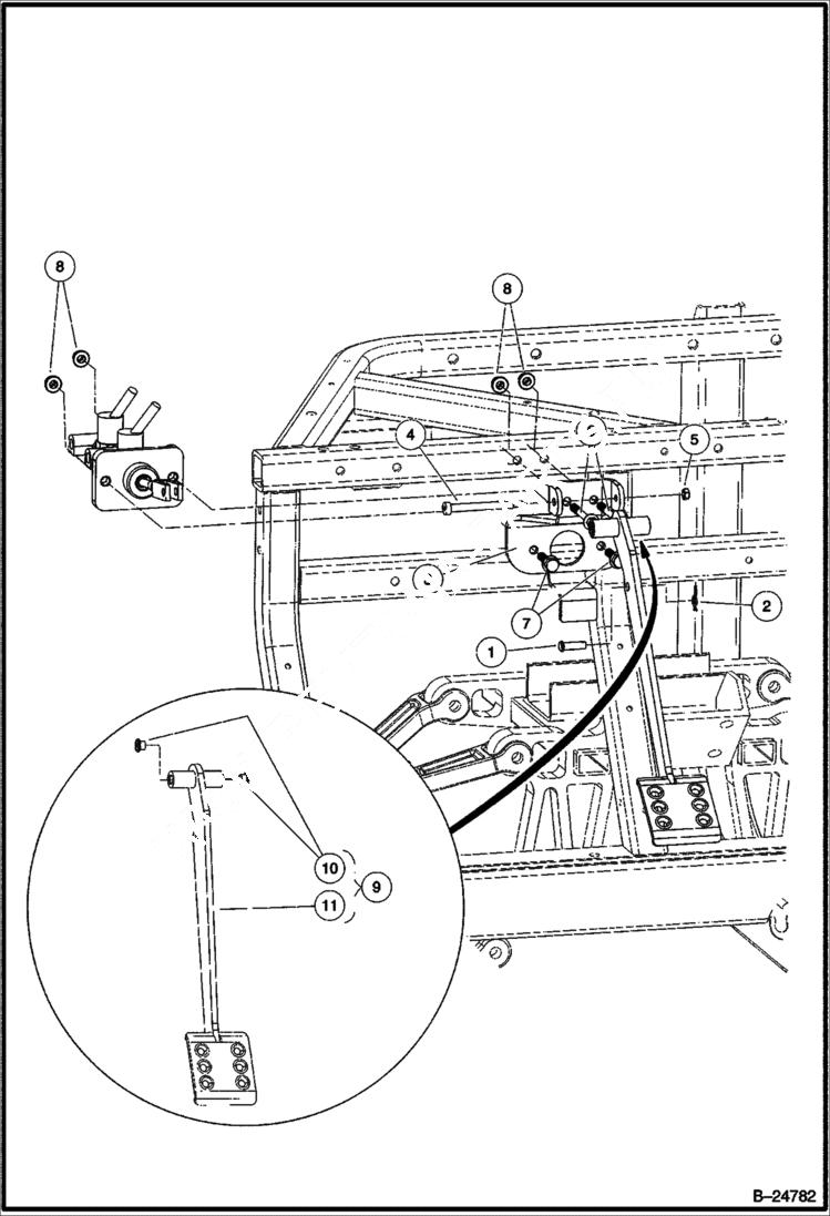
BRAKE PEDAL ASSEMBLY
№
Артикул
Название
Примечание
Количество
1
101082903CC
PIN, CLEVIS
2
102176901CC
PIN
3
102380601CC
BRACKET
4
103273101CC
SHOULDER BOLT Was 102476201CC - A
5
102618101CC
NUT
6
102618301CC
BOLT
7
102618401CC
8
102618601CC
9
PEDAL ASM NLA - Order components
10
102442901CC
BUSHING
11
102626201CC
PEDAL BRAKE ASSY
Выбрано товаров: 0