Качественные детали и логистика
Оригинальные и аналоговые запчасти с доставкой по России, Казахстану и Беларуси
©2022 PartSell ООО "Система" ИНН 2463123282 ОГРН 1212400004838
Центральный офис: г. Красноярск, Академика Киренского, д.87, пом.4
Телефон: 8 (800) 777-65-74 Email: zakaz@partsell.ru
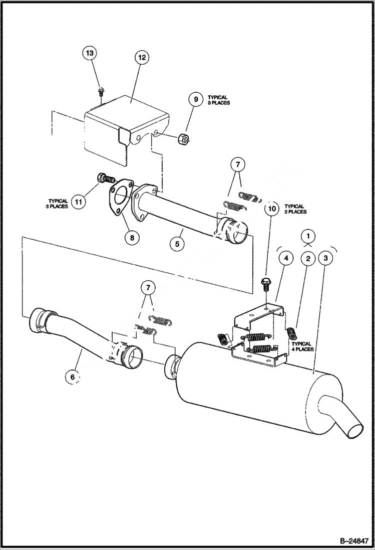
EXHAUST SYSTEM Diesel
№
Артикул
Название
Примечание
Количество
1
102812801CC
MUFFLER ASM Was 102409201CC - A
SVP237002CC
MUFFLER PURIFER W/Ref. 2-4, & 2 spacers, 2 bolts & 2 washers
6659543
PLUG 1/8 '' NPT - used on SVP237002CC
2
102409501CC
SPRING
3
MUFFLER N/A
4
BRACKET N/A
5
102409301CC
PIPE EXHAUST
6
102777701CC
PIPE, TUBE EXHAUST Was 102409401CC - A
7
8
102422301CC
GASKET EXHAUST
9
102298401CC
NUT m8x1.25 locknut - Was 102617001CC - A
10
102621201CC
BOLT
11
102621301CC
12
102628101CC
SHIELD
13
102731601CC
Выбрано товаров: 0