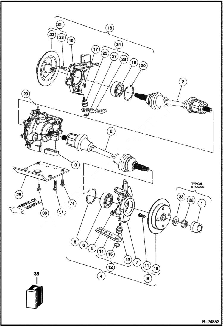
Запчасти Bobcat 2200 FRONT DIFFERENTIAL MOUNTING & HALF SHAFTS DRIVE TRAIN

Схема запчастей Bobcat 2200 - FRONT DIFFERENTIAL MOUNTING & HALF SHAFTS DRIVE TRAIN
FIT
1:1
100%

Артикул

Название

Примечание

Количество

1

102274101CC

CAP

2

102865201CC

SHAFT, DRIVE HALF Was 102371901CC - A

2

AM11807CC

OUTER BOOT includes clamps (one large and one small) and grease - if outer boot is being replaced, replace inner boot as well

2

AM11808CC

INNER BOOT includes clamps (one small and one large) and grease - if inner boot is being replaced, replace outer boot as well

3

102381701CC

SPACER

4

103588401CC

KIT, AWD UPRIGHT CONVERSION Was 102436001CC - A

5

102022901CC

NUT

6

102368201CC

BEARING

7

UPPER LEFT NLA - Order Ref. 7

8

102374701CC

RETAINING RING

9

102376601CC

ROTOR BRAKE FRT W/Ref. 10 & 11

10

ROTOR ASSY. NSS - Order Ref. 9

11

102475801CC

STUD

12

102874302CC

ADJUSTER ASSM W/Ref. 13-15 - Was 102479001CC - A

13

102361901CC

BALL JOINT

14

SLIDE ADJUSTER NLA - Order Ref. 12 - Was 102447001CC - A

15

102722301CC

RING RETAINING EXT

16

103588401CC

KIT, AWD UPRIGHT CONVERSION Was 102436101CC - A

17

102022901CC

NUT

18

102368201CC

BEARING

19

UPRIGHT RIGHT NLA - Order Ref. 16

20

102374701CC

RETAINING RING W/Ref. 21 & 22

21

102376601CC

ROTOR BRAKE FRT

22

ROTOR ASSY. See BTI403 NLA - Was 102376603CC - A

22

102376605CC

BRAKE, ASSY See BTI403

23

102475801CC

STUD

24

102874302CC

ADJUSTER ASSM W/Ref. 25-27 - Was 102479001CC - A

25

102361901CC

BALL JOINT

26

SLIDE ADJUSTER NLA - Order Ref. 24 - Was 102447001CC - A

27

102722301CC

RING RETAINING EXT

28

103244701CC

MOUNT ASSM Was 102455901CC - A

29

102462401CC

HOSE VENT

30

102491001CC

BOLT

31

102491101CC

BOLT

32

102617501CC

NUT

33

102617801CC

WASHER

34

102711601CC

BOLT

35

102803601CC

KIT STEERING STOP See Illustration STEERING STOP KIT/ B27095

Выбрано товаров: 38