Запчасти Bobcat 2200 TRANSMISSION DRIVE TRAIN

Схема запчастей Bobcat 2200 - TRANSMISSION DRIVE TRAIN
FIT
1:1
100%

Артикул

Название

Примечание

Количество

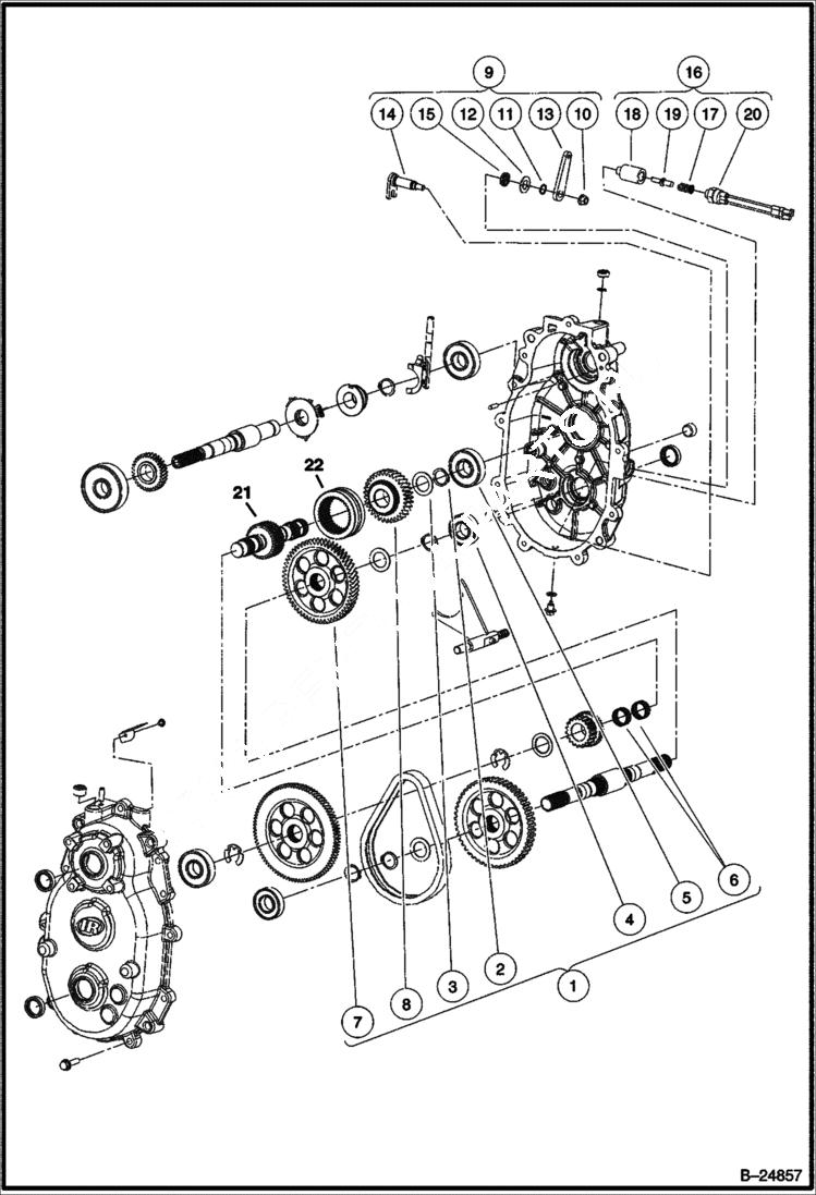
1

102764901CC

KIT FORWARD GEAR REPAIR See Illustration TRANSMISSION/ B24856 W/Ref. 2-8

2

102696201CC

RING RETAINING EXT

3

102696501CC

WASHER

4

102696801CC

BEARING

5

102696901CC

BEARING

6

102697101CC

BEARING

7

GEAR NLA - Order Ref. 1

8

GEAR NLA - Order Ref. 1

9

102765001CC

KIT TRANS SHIFT SHAFT REPAIR W/Ref. 10-15 - also Order 103294301CC bell crank

10

102696001CC

NUT LOCK

11

102696401CC

RING RETAINING EXT

12

102696601CC

WASHER

13

103239501CC

BELLCRANK Was 103294301CC - B

14

103239801CC

SHAFT

15

102699601CC

SEAL LIP

16

102765101CC

KIT NEUTRAL SWITCH REPAIR W/Ref. 17-20

17

SPRING NLA - Order Ref. 16

18

GUIDE NLA - Order Ref. 16

19

BULLET NLA - Order Ref. 16

20

SWITCH NLA - Order Ref. 16

21

102698701CC

SHAFT INTERMEDIATE

22

102697501CC

DOG ENGAGEMENT

Выбрано товаров: 22