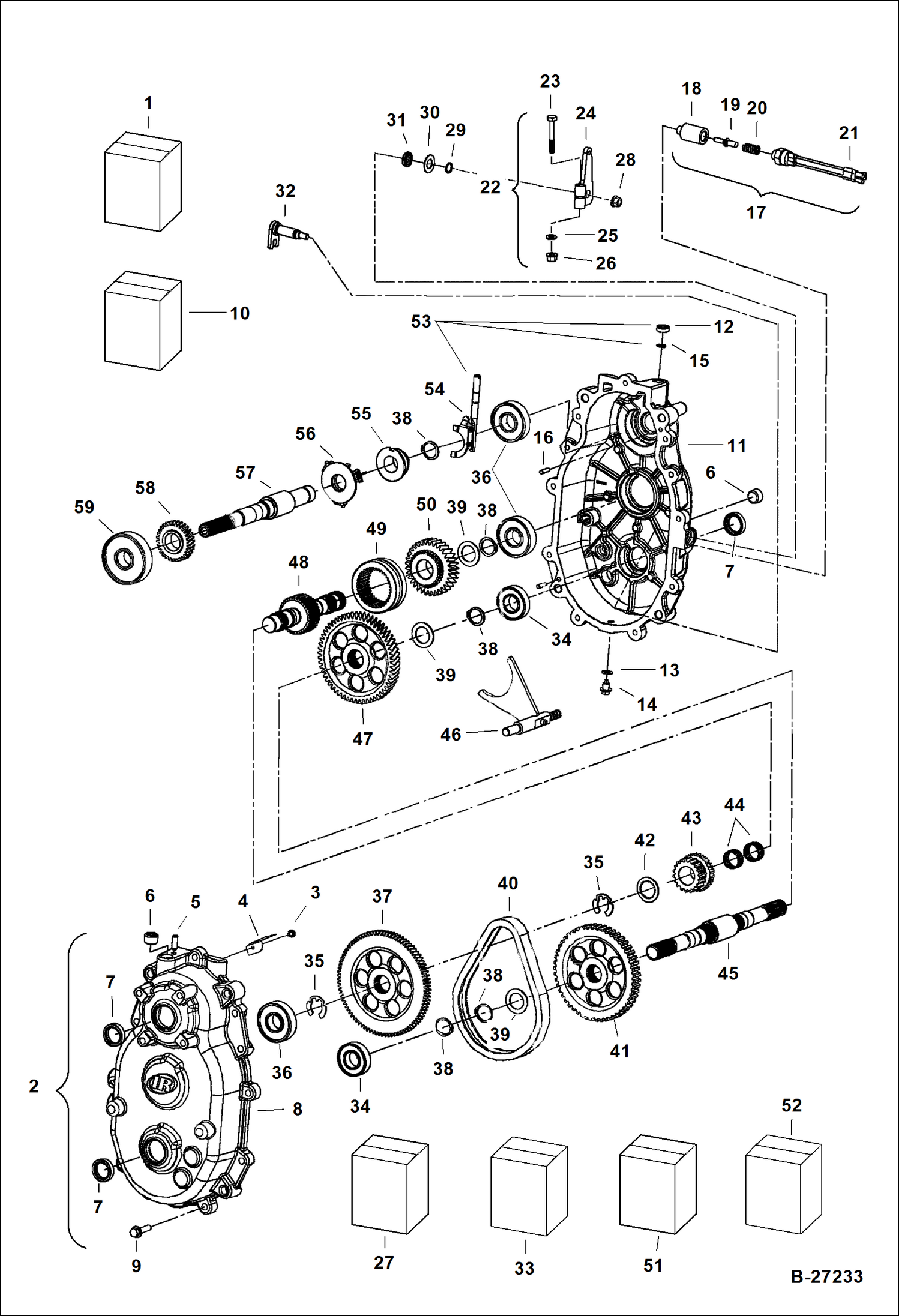
Запчасти Bobcat 2200 TRANSMISSION (Updated Design) DRIVE TRAIN

Схема запчастей Bobcat 2200 - TRANSMISSION (Updated Design) DRIVE TRAIN
FIT
1:1
100%

Артикул

Название

Примечание

Количество

1

102369401CC

TRANSMISSION Diesel & Gas - W/Ref. 2- 59 - this is an updated transmission, parts will fit early design

2

102764201CC

REAR GEARCASE ASSY W/Ref. 3-9

3

102698901CC

SCREW

4

102696301CC

OIL DEFLECTOR

5

102698301CC

VENT TRANS

6

102694201CC

PLUG SQUARE

7

102699401CC

SEAL

8

GEARCASE, REAR NLA - Order 102764201CC rear gearcase assy.

9

102693301CC

SCREW

10

102764301CC

FRONT GEARCASE ASSY front - W/Ref. 6, 7 & 11-16

11

GEARCASE, FRONT NLA - Order 102764301CC front gearcase assy

12

102721501CC

SEAL LIP gasoline vehicle

12

102699501CC

PLUG diesel vehicle only

13

102693501CC

WASHER

14

102693401CC

PLUG

15

102700001CC

RING RETAINING gasoline vehicle

16

102696101CC

PIN DOWEL

17

102765101CC

KIT NEUTRAL SWITCH REPAIR W/Ref. 18-21

18

GUIDE, DETENT BULLET NLA - Order 102765101CC kit

19

BULLET, DETENT NLA - Order 102765101CC kit

20

SPRING NLA - Order 102765101CC kit

21

SWITCH, INDICATOR NLA - Order 102765101CC kit

22

103294301CC

KIT, BELLCRANK W/Ref. 22-25

23

1010177CC

BOLT, 3/8-16 X 2.00 HEX HEAD

24

BELLCRANK, TRANS NLA - Order Ref. 22 - Was 103280201CC - A

25

334CC

WASHER

26

8754CC

NUT

27

102765001CC

KIT TRANS SHIFT SHAFT REPAIR W/Ref. 28-32

28

102696001CC

NUT LOCK

29

102696401CC

RING RETAINING EXT

30

102696601CC

WASHER

31

102699601CC

SEAL LIP

32

WELDMENT, SHIFT SHAFT NLA - Order 102765001CC kit

33

102765201CC

KIT REVERSE GEAR REPAIR W/Ref. 34-36 & 38 - 44

34

102696801CC

BEARING

35

102699701CC

RING RETAINING

36

102696901CC

BEARING

37

GEAR NLA - Order 102764701CC kit - 90 tooth helical

38

102696201CC

RING RETAINING EXT

39

102696501CC

WASHER

40

CHAIN NLA - Order 102765201CC kit

41

SPROCKET NLA - Order 102765201CC - 51 tooth

42

102696701CC

WASHER

43

SPROCKET NLA - Order 102765201CC kit - 19 tooth

44

102697101CC

BEARING

45

102698801CC

SHAFT OUTPUT

46

102697801CC

FORK WA TRANS

47

GEAR NLA - Order 102764901CC kit - helical 58 tooth

48

102698701CC

SHAFT INTERMEDIATE

49

102697501CC

DOG ENGAGEMENT

50

GEAR NLA - Order 102764901CC kit - 34 tooth helical

51

102764901CC

KIT FORWARD GEAR REPAIR W/Ref. 34, 36, 38, 39, 44, 47 & 50

52

102764701CC

KIT INPUT SHAFT REPAIR W/Ref. 35-38 & 55-59

53

102764801CC

KIT GOVERNOR SHAFT REPAIR W/Ref. 12, 15 & 54 - gasoline vehicles only

54

102700101CC

ASSY GOVERNOR ARM

55

GOVERNOR SPOOL NLA - Order 102764701CC kit

56

FLY WEIGHT NLA - Order 102764701CC kit

57

INPUT SHAFT NLA - Order 102764701CC kit

58

GEAR NLA - Order 102764701CC kit - 31 tooth helical

59

102697001CC

BEARING

Выбрано товаров: 60