Запчасти Bobcat 2200 HEADLIGHTS ELECTRICAL SYSTEM

Схема запчастей Bobcat 2200 - HEADLIGHTS ELECTRICAL SYSTEM
FIT
1:1
100%

Артикул

Название

Примечание

Количество

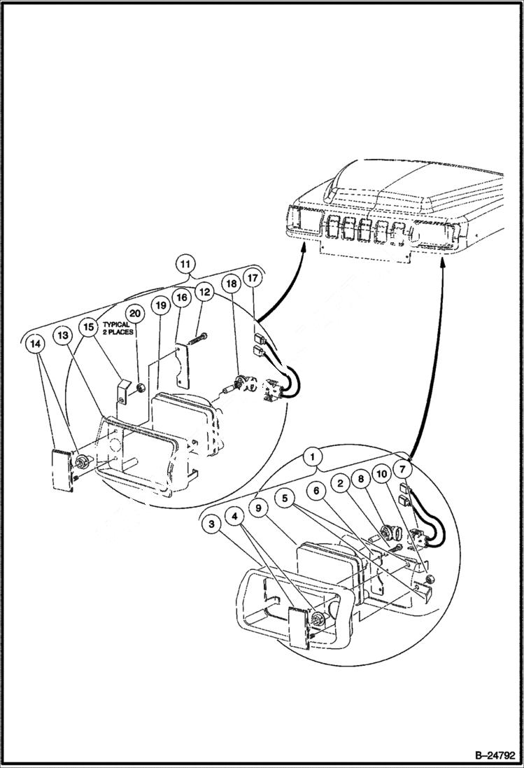
1

101988001CC

HEADLIGHT LH - driver side

2

1013461CC

SCREW

3

1016880CC

BEZEL

4

1017062CC

SIGNAL ASSY

5

1017064CC

BRACKET

6

1017065CC

RETAINER

7

101987901CC

HARNESS

8

101988101CC

BULB

9

101988201CC

LENS

10

1017CC

NUT Was 7893CC - B

11

101988002CC

HEADLIGHT RH - passenger side

12

1013461CC

SCREW

13

1016879CC

BEZEL

14

1017062CC

SIGNAL ASSY

15

1017064CC

BRACKET

16

1017065CC

RETAINER

17

101987901CC

HARNESS

18

101988101CC

BULB

19

101988201CC

LENS

20

1017CC

NUT Was 7893CC - B

Выбрано товаров: 0