Запчасти Bobcat 2300 CYLINDER HEAD POWER UNIT

Схема запчастей Bobcat 2300 - CYLINDER HEAD POWER UNIT
FIT
1:1
100%

Артикул

Название

Примечание

Количество

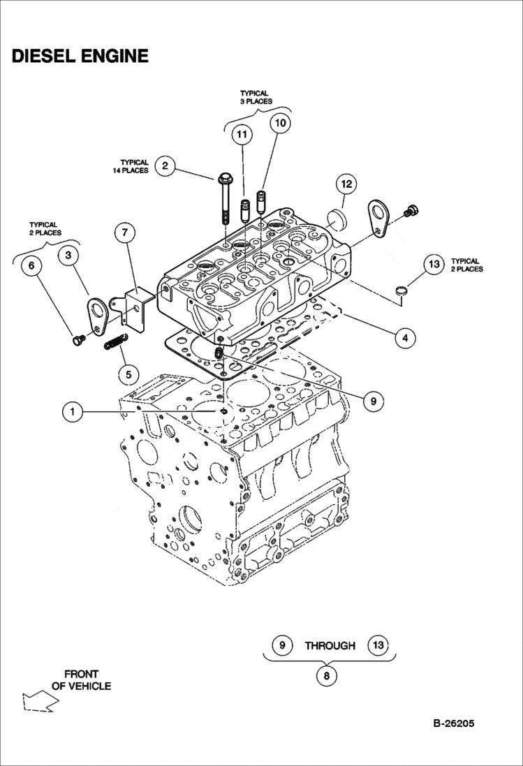
1

3974038

O RING Was 102600301CC - A

2

6670353

BOLT Was 102652801CC - A

3

3974882

HOOK Was 102653901CC - A

4

6670354

GASKET Was 102654101CC - A

5

6683024

SPRING RETURN Was 102701001CC - A

6

6667421

BOLT Was 102726701CC - A

7

102727101CC

STAY

8

102798001CC

CYLINDER HEAD W/Ref. 9-13

9

6598116

PLUG 3/32'' - Was 102600801CC - A

10

6670352

VALVE GUIDE exhaust - Was 102653401CC - A

11

6670351

VALVE GUIDE Inlet - Was 102653501CC - A

12

3974033

CAP Was 102726901CC - A

13

3974056

CAP Was 102727001CC - A

Выбрано товаров: 13