Запчасти Bobcat 2300 VALVES & ROCKER ARMS Diesel POWER UNIT

Схема запчастей Bobcat 2300 - VALVES & ROCKER ARMS Diesel POWER UNIT
FIT
1:1
100%

Артикул

Название

Примечание

Количество

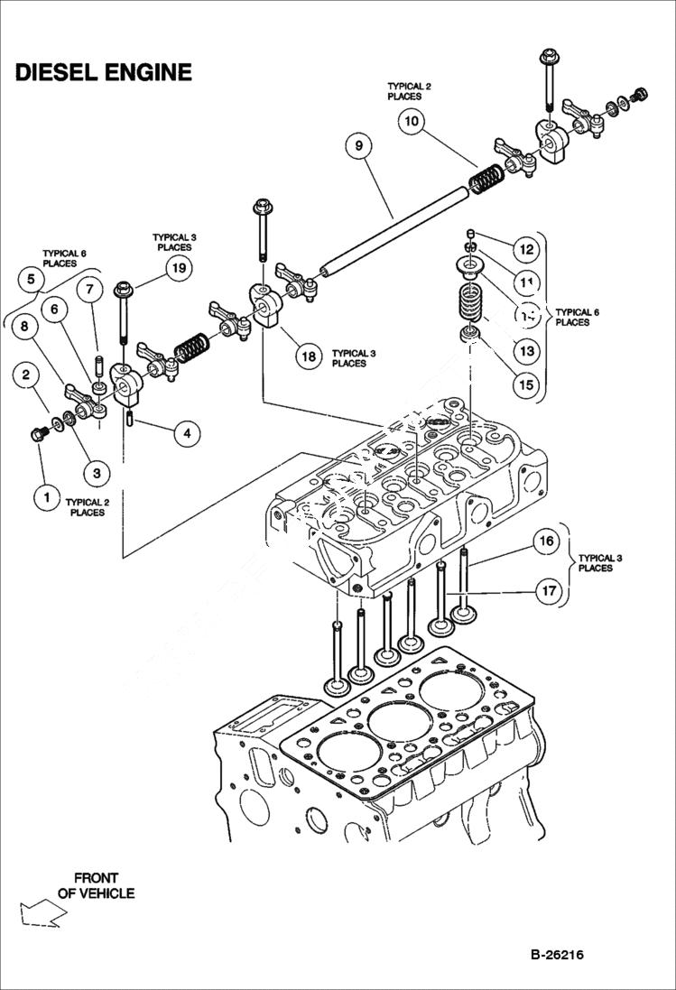
1

102646401CC

BOLT

2

6670520

WASHER Was 102651301CC - A

3

6687675

WASHER, SPRING Was 6670519 - A

4

6598098

PIN Was 102651801CC - A

5

6670527

ROCKER ARM W/Ref. 6-8 - Was 102652001CC - A

6

6670529

NUT Was 102651501CC - A

7

6670528

SCREW Was 102651701CC - A

8

ROCKER ARM NLA - Order Ref. 5

9

6670518

SHAFT Was 102652601CC - A

10

6670526

SPRING, ROCKER ARM Was 102652701CC - A

11

6670515

COLLET set of (2) - Was 102652901CC - A

12

6670516

CAP Was 102653001CC - A

13

6670513

SPRING Was 102653101CC - A

14

6670514

RETAINER Was 102653201CC - A

15

6670517

SEAL Was 102653301CC - A

16

6670512

VALVE Was 102653601CC - A

17

6670511

VALVE Was 102653701CC - A

18

102801101CC

BRACKET

19

102801201CC

BOLT rocker arm

Выбрано товаров: 19