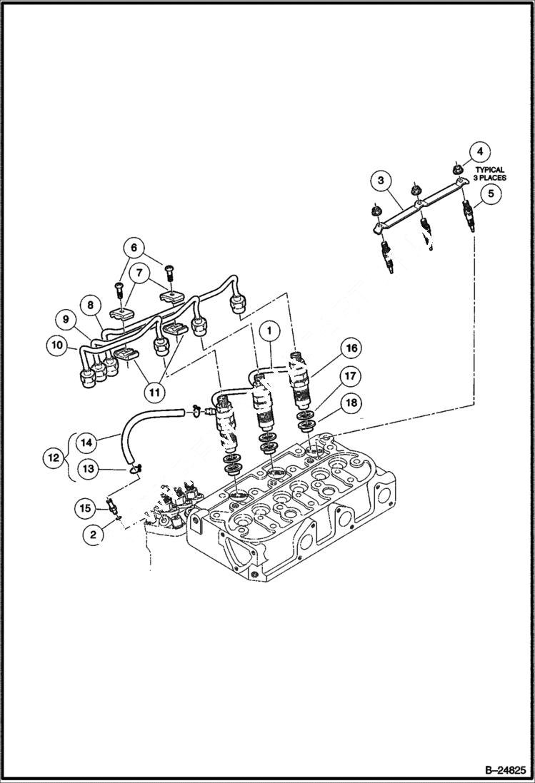
Запчасти Bobcat 2300 NOZZLE HOLDERS & GLOW PLUG Diesel POWER UNIT

Схема запчастей Bobcat 2300 - NOZZLE HOLDERS & GLOW PLUG Diesel POWER UNIT
FIT
1:1
100%

Артикул

Название

Примечание

Количество

1

102605701CC

OVERFLOW HOSE

2

3974972

GASKET Was 102635301CC - A

3

6670471

WIRE Was 102642401CC - A

4

6670472

NUT Was 102642501CC - A

5

6670470

GLOW PLUG Was 102642601CC - A

6

3974260

SCREW Was 102642801CC - A

7

6652689

CLAMP Was 102642901CC - A

8

6670469

PIPE Was 102643001CC - A

9

6670468

PIPE Was 102643101CC - A

10

6670467

PIPE Was 102643201CC - A

11

6652688

CLAMP Was 102643301CC - A

12

6670464

HOSE W/Ref. 13 & 14 - Was 102643401CC - A

13

6654718

CLAMP Was 6599136 - A

14

HOSE NLA - Order Ref. 12

15

6657446

SCREW Was 102643701CC - A

16

NOZZLE HOLDER NLA - Order 7012004, nozzle holder and 6657460, nut - Was 6670465 - A

16

6670465REM

NOZZLE, FUEL INJ. KUBOTA D722

17

6655218

GASKET Was 102643601CC - A

18

6655872

HEAT SEAL Was 102642701CC - A

Выбрано товаров: 19