Качественные детали и логистика
Оригинальные и аналоговые запчасти с доставкой по России, Казахстану и Беларуси
©2022 PartSell ООО "Система" ИНН 2463123282 ОГРН 1212400004838
Центральный офис: г. Красноярск, Академика Киренского, д.87, пом.4
Телефон: 8 (800) 777-65-74 Email: zakaz@partsell.ru
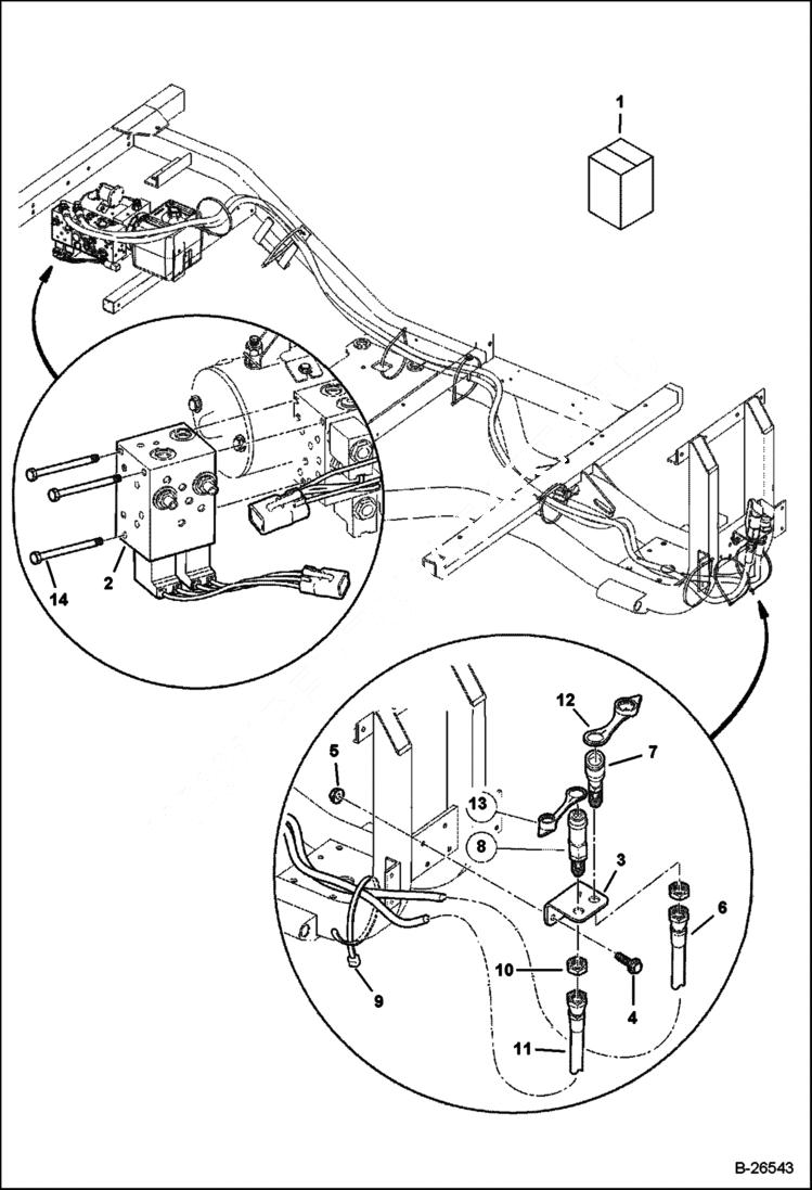
AUXILLIARY HYDRAULIC KIT
№
Артикул
Название
Примечание
Количество
1
102785401CC
AUX HYDRAULIC KIT W/Ref. 2-14
2
102784003CC
POWER UNIT
3
102922601CC
BRACKET
4
102922701CC
SCREW
5
102741601CC
FLG, M8X1.25
6
102785001CC
HOSE
7
102794801CC
COUPLER
8
102794901CC
9
102025401CC
TIE WRAP, HEAVY DUTY
10
102923801CC
LOCK NUT
11
102785101CC
12
102973501CC
CAP
13
102973601CC
14
103409001CC
SCREW 1/4'' x 3.5'' x 20 - Was 17C456 - B
Выбрано товаров: 0