Качественные детали и логистика
Оригинальные и аналоговые запчасти с доставкой по России, Казахстану и Беларуси
©2022 PartSell ООО "Система" ИНН 2463123282 ОГРН 1212400004838
Центральный офис: г. Красноярск, Академика Киренского, д.87, пом.4
Телефон: 8 (800) 777-65-74 Email: zakaz@partsell.ru
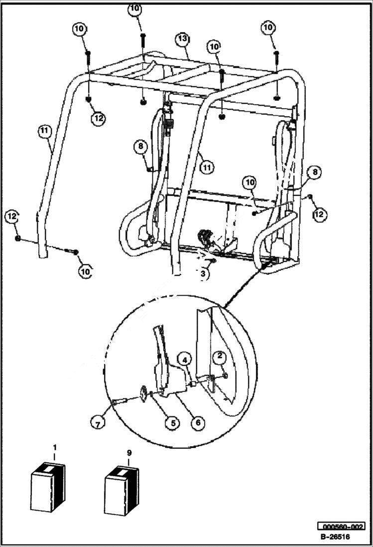
SEAT BELTS AND ROPS
№
Артикул
Название
Примечание
Количество
1
SEAT BELT KIT NLA - W/Ref.2-8 - Order components
2
102324401CC
LOCK NUT
3
102671201CC
SCREW
4
103210801CC
SPACER
5
103210802CC
6
103210901CC
SEAT BELT 3 pt. - tongue lock
103318201CC
KIT, HARDWARE hardware kit, for upper shoulder mount
7
SCREW NLA - Order 18C728 bolt - Was 103211101CC - A
8
8990CC
TIE STRAP
9
103511201CC
KIT, ROPS W/Ref. 10-12 - Was 103215901CC - A
10
102988701CC
FLG, M10X1.5X65
11
103192101CC
TUBE
12
103216401CC
FLG, M10X1.5
13
103225801CC
ROPS TOP ASM
Выбрано товаров: 0