Запчасти Bobcat 2300 ACCESSORY HYDRAULIC SYSTEM STANDARD HYDRAULICS

Схема запчастей Bobcat 2300 - ACCESSORY HYDRAULIC SYSTEM STANDARD HYDRAULICS
FIT
1:1
100%

Артикул

Название

Примечание

Количество

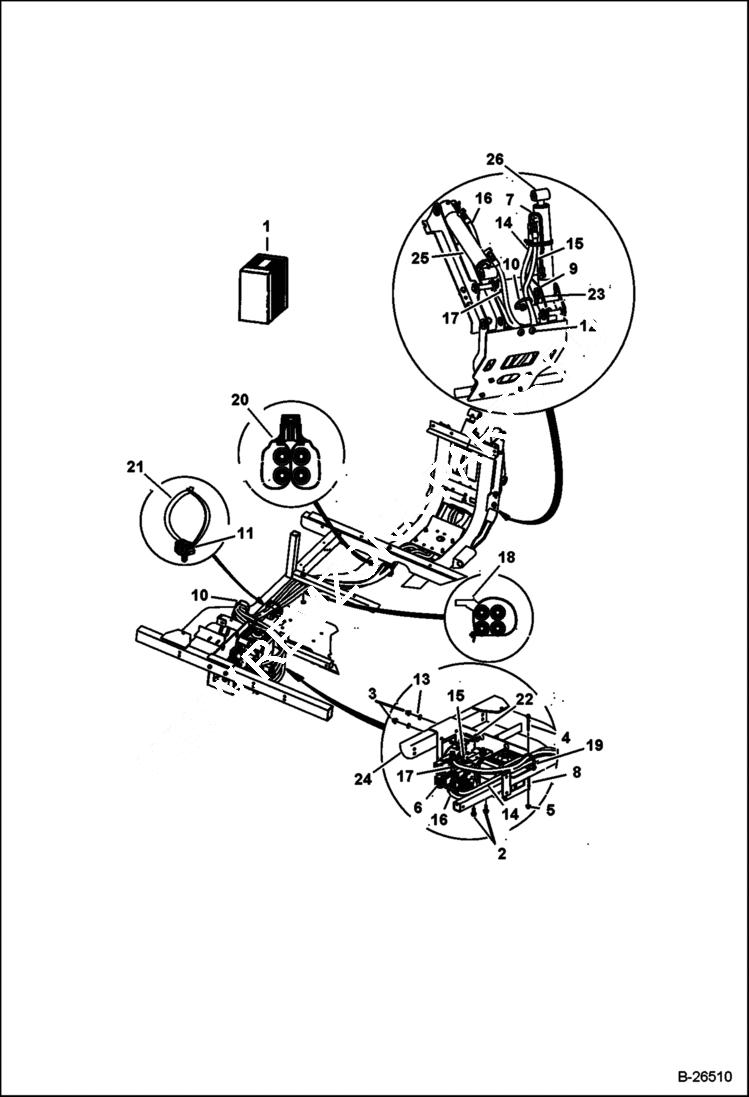
1

102787601CC

HOSE ASSMBLY Ref. 14-22

2

102491001CC

BOLT

3

102617201CC

NUT

4

102618301CC

BOLT

5

102618601CC

NUT

6

POWER UNIT See Illustration POWER UNIT/ MS1498

7

102784201CC

TUBE

8

102785501CC

HEAT BARRIER

9

102786101CC

RING

10

102787101CC

MOUNT

11

102787201CC

MOUNT fir tree

12

102787501CC

TIE

13

96741046CC

WASHER

14

102784601CC

HOSE yellow or pink - TD - tilt cylinder extend

15

102784701CC

HOSE no color- TR - tilt cylinder retract

16

102784801CC

HOSE green - LD - lift cylinder extend

17

102784901CC

HOSE blue - LR - lift cylinder retract

18

MOUNT NLA - Order 6684641 mount - Was 102786901CC - A

19

MOUNT NLA - Order 6678818 mount - Was 102787001CC - A

20

MOUNT NLA - dual tie - Order 6678668 strap - Was 102787301CC - A

21

102787701CC

TIE wide strap

22

BOLT NLA - Order 1CM1070 bolt - Was 102859101CC - B

23

102921601CC

PIN

24

102921701CC

MOUNT

25

7120556

LIFT CYLINDER 2300 See Illustration LIFT CYLINDER/ NA2124 hydraulic lift - Was 102923001CC - A

26

7109063

TILT CYLINDER 2300 See Illustration TILT CYLINDER/ NA2125 hydraulic tilt - Was 102923101CC - A

Выбрано товаров: 26