Запчасти Bobcat 2300 ACCESSORY HYDRAULIC SYSTEM AUXILIARY HYDRAULICS

Схема запчастей Bobcat 2300 - ACCESSORY HYDRAULIC SYSTEM AUXILIARY HYDRAULICS
FIT
1:1
100%

Артикул

Название

Примечание

Количество

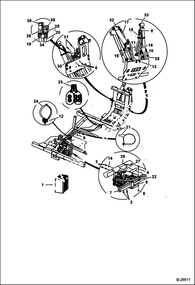
1

102787602CC

HOSE ASSMBLY auxilliary - W/Ref. 15-24

2

102491001CC

BOLT

3

102617201CC

NUT

4

102618301CC

BOLT

5

102618601CC

NUT

6

102741601CC

FLG, M8X1.25

7

PUMP, HYD See Illustration POWER UNIT/ MS1499 NLA - Was 6698500 - A

8

102784201CC

TUBE

9

102785501CC

HEAT BARRIER

10

102786101CC

RING

11

102787101CC

MOUNT

12

102787201CC

MOUNT fir tree

13

102787501CC

TIE

14

96741046CC

WASHER

15

102784601CC

HOSE yellow or pink - TD - tilt cylinder extend

16

102784701CC

HOSE no color- TR - tilt cylinder retract

17

102784801CC

HOSE green - LD - lift cylinder extend

18

102784901CC

HOSE blue - LR - lift cylinder retract

19

102785001CC

HOSE white - A - auxilliary male

20

102785101CC

HOSE red - B - auxillliary female

21

MOUNT NLA - Order 6684641 mount - Was 102786901CC - A

22

MOUNT NLA - Order 6678818 - Was 102787001CC - A

23

MOUNT NLA - dual tie - Order 6678668 strap - Was 102787301CC - A

24

102787701CC

TIE

25

102794801CC

COUPLER female quick coupler

26

102794901CC

COUPLER male quick coupler

27

BOLT NLA - Order 1CM1070 bolt - Was 102859101CC - A

28

102921601CC

PIN

29

102921701CC

MOUNT powerunit

30

102922601CC

BRACKET hydraulic auxilliary

31

102922701CC

SCREW

32

102923001CC

CYLINDER hydraulic lift

33

102923101CC

CYLINDER hydraulic tilt

34

102923801CC

LOCK NUT

35

102973501CC

CAP female quick coupler

36

102973601CC

CAP male quick coupler

Выбрано товаров: 36