Запчасти Bobcat 2300 STANDARD TO AUXILLIARY HYDRAULIC CONVERSION KIT HYDRAULICS

Схема запчастей Bobcat 2300 - STANDARD TO AUXILLIARY HYDRAULIC CONVERSION KIT HYDRAULICS
FIT
1:1
100%

Артикул

Название

Примечание

Количество

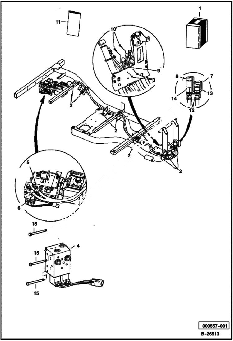
1

102785401CC

AUX HYDRAULIC KIT W/Ref. 2-14

2

102025401CC

TIE WRAP, HEAVY DUTY

3

102741601CC

FLG, M8X1.25

4

102784003CC

POWER UNIT See Illustration AUXILLIARY HYDRAULIC VALVE UNIT/ MS2632 auxilliary valve

5

102785001CC

HOSE

6

102785101CC

HOSE

7

102794801CC

COUPLER female quick coupler

8

102794901CC

COUPLER male quick coupler

9

102922601CC

BRACKET auxilliary hydraulic

10

102922701CC

SCREW

11

INSTRUCTIONS NLA - auxilliary hydraulic - instructions are not sold separately - Was 102923601CC - A

12

102923801CC

LOCK NUT

13

102973501CC

CAP

14

102973601CC

CAP

15

103409001CC

SCREW 1/4'' x 3.5'' x 20 -not in kit - Was 17C546 - B

Выбрано товаров: 15