Запчасти Bobcat 3400 DRIVE TRAIN, GEAR SELECTOR DRIVE TRAIN

Схема запчастей Bobcat 3400 - DRIVE TRAIN, GEAR SELECTOR DRIVE TRAIN
FIT
1:1
100%

Артикул

Название

Примечание

Количество

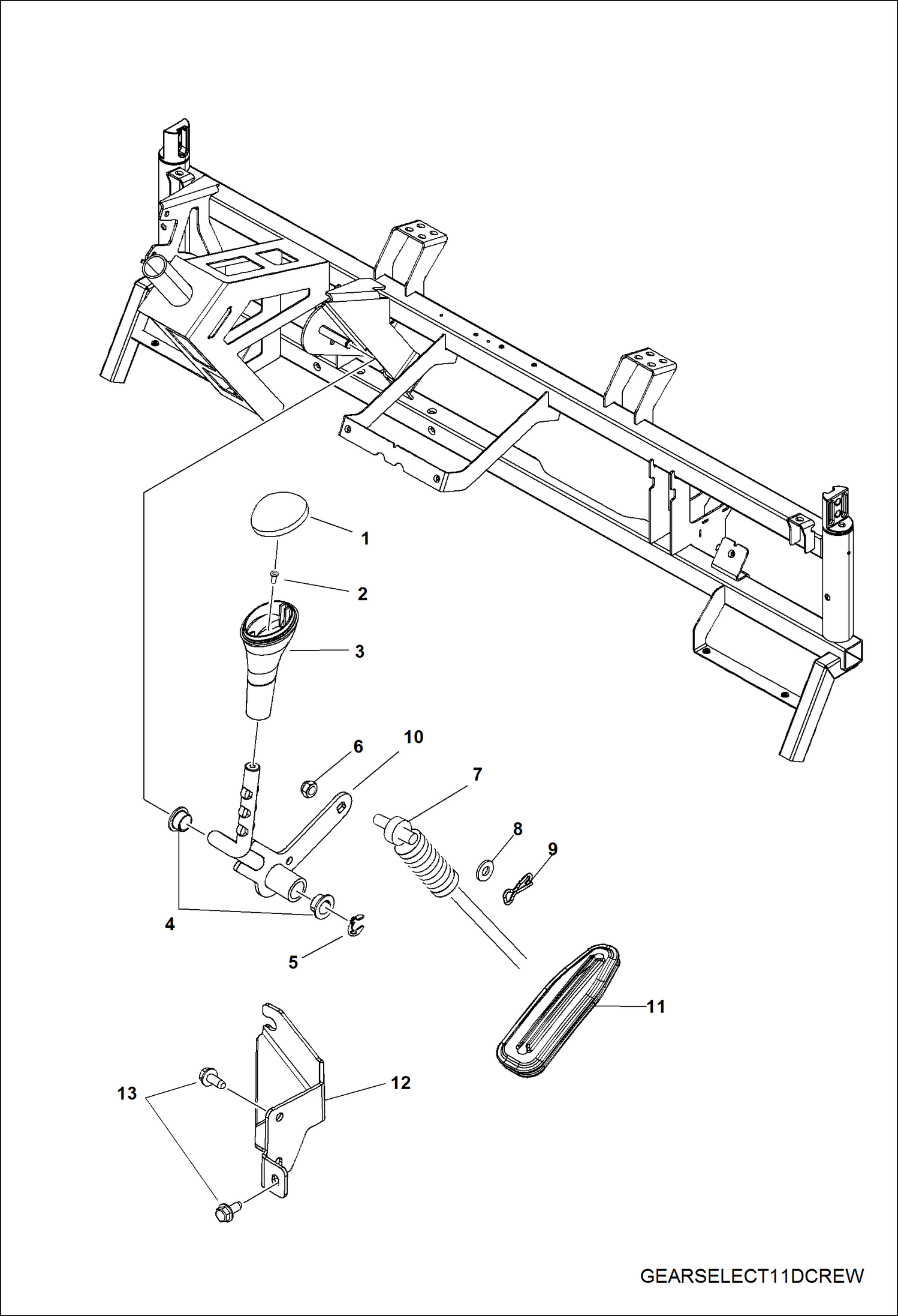
1

7016335

COVER, SHIFTER

2

7016613

SCREW

3

7018880

KNOB, SHIFTER

3

7023808

KNOB, SHIFTER BILLET optional

4

7016231

BUSHING, PEDAL PIVOT

5

7016369

RING, E

6

7016506

NUT

7

7016259

CABLE, SHIFT

8

7016766

WASHER, FLAT

9

7016548

PIN, CLIP, 14MM

10

7016835

LEVER, SHIFT

11

7016418

GROMMET, SHIFT

12

7016481

MOUNT, SHIFT CABLE, TRANS, BLK

13

7016175

BOLT

Выбрано товаров: 14