Запчасти Bobcat 3400 SPEED LIMITER KIT (35 MPH W/Side Nets) ACCESSORIES & OPTIONS

Схема запчастей Bobcat 3400 - SPEED LIMITER KIT (35 MPH W/Side Nets) ACCESSORIES & OPTIONS
FIT
1:1
100%

Артикул

Название

Примечание

Количество

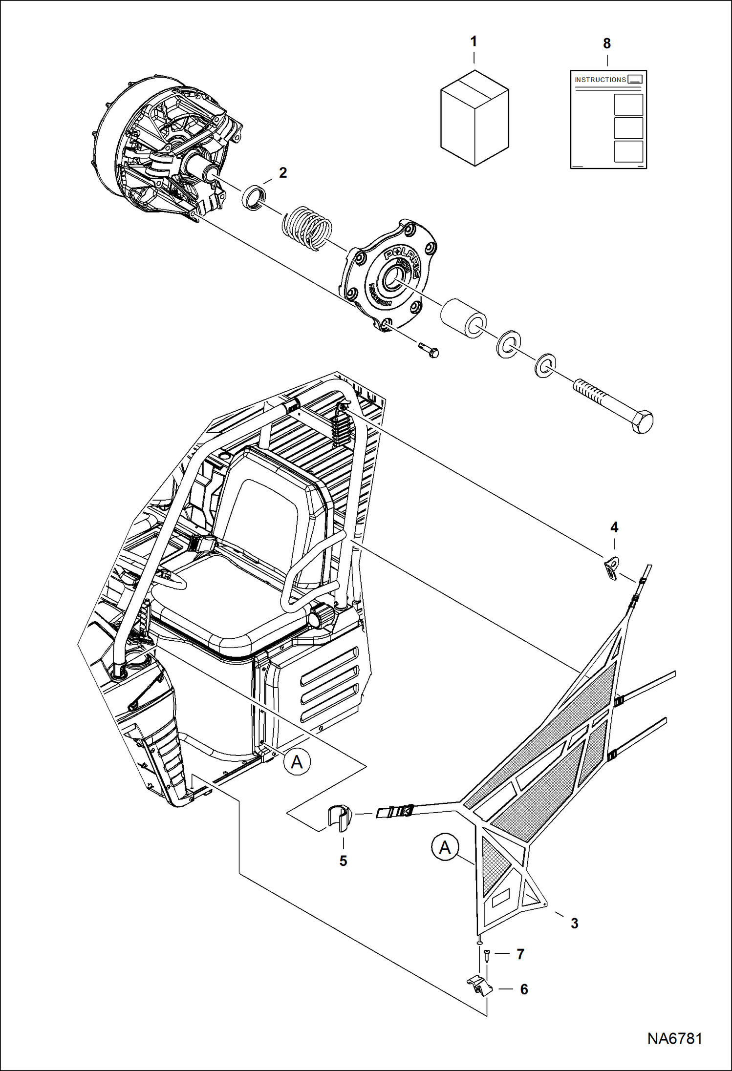
1

7225994

KIT, SPEED LIMITER 35 DSL STD Ref. 2-8

2

BUSHING, SPACER NLA - 7.37 mm (.290'') wide - 35 mph- Order kit 7210405 - Was 7210406

3

7025210

NET, SIDE FRONT

4

7025212

BRACKET, MOUNT NET

5

7025213

MOUNT, NET UPPER

6

7025214

MOUNT, NET LOWER

7

7016598

SCREW

8

6990592

INSTRUCTIONS

Выбрано товаров: 8