Запчасти Bobcat 3600 WINCH KIT (Multi-mount) ACCESSORIES & OPTIONS

Схема запчастей Bobcat 3600 - WINCH KIT (Multi-mount) ACCESSORIES & OPTIONS
FIT
1:1
100%

Артикул

Название

Примечание

Количество

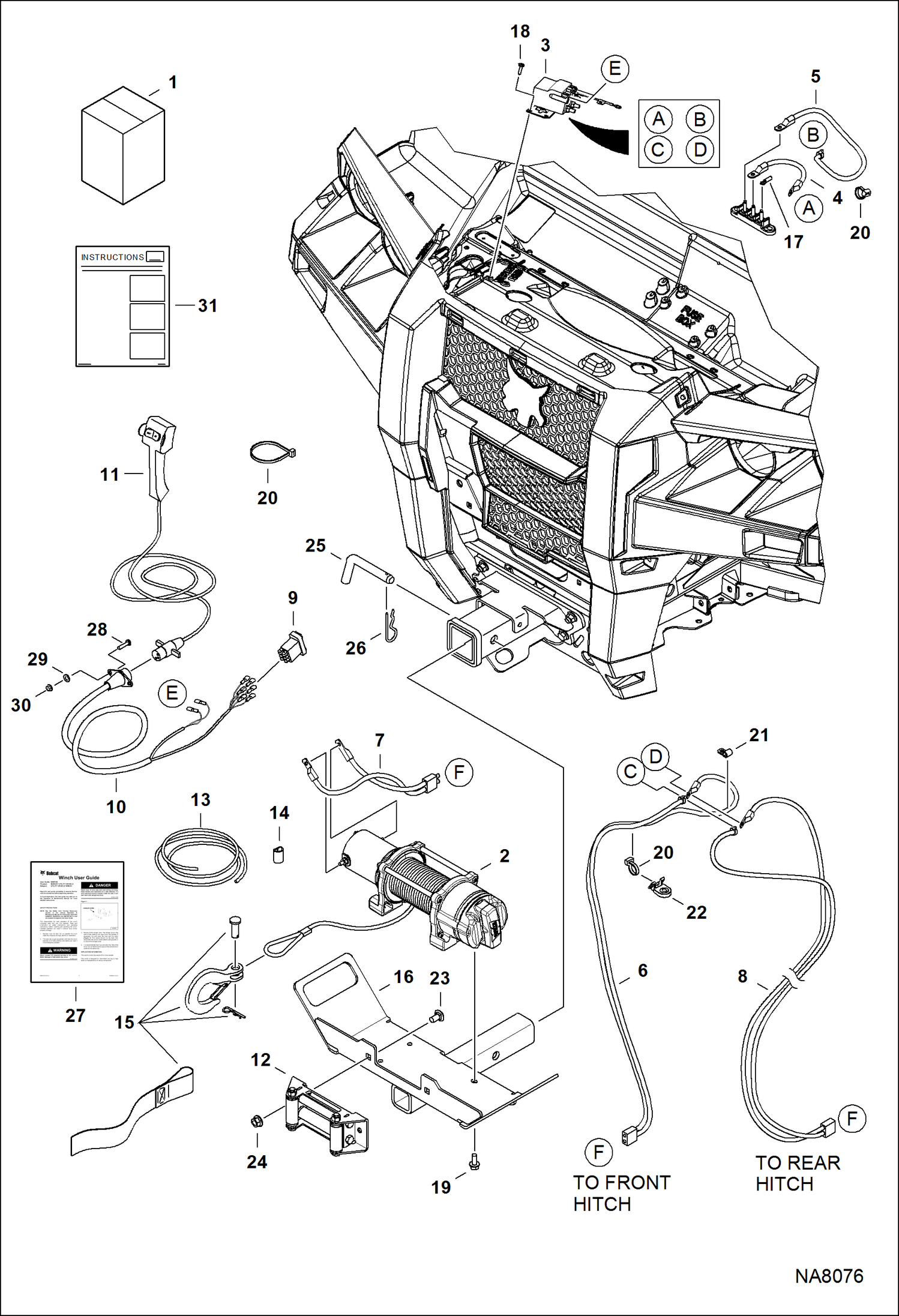
1

7226025

KIT, WINCH MULTI-MOUNT Ref. 2-28

2

7028586

WINCH W/O cable - Also Order Ref. 13

3

7028574

SOLENOID, WINCH

4

7028585

CABLE, BLK 14''

5

7028581

CABLE, RED 20.5''

6

7028582

CABLE, MULTI-LEAD ASSY 47''

7

7028583

CABLE, MULTI-LEAD ASSY 172''

8

7028584

CABLE, MULTI-LEAD ASSY 20''

9

7028576

SWITCH, MOMENTARY

10

7028578

HARNESS, SOCKET REMOTE

11

7028572

CONTROL, REMOTE 10FT

12

7028575

KIT, ROLLER FAIRLEAD

13

7028573

WIRE ROPE ASSY W/Ref. 14

14

SLEEVE NSS

15

7028577

KIT, HOOK 5/16'' CLEVIS W/STRAP

16

7226407

MOUNT, WINCH

17

7233381

TERMINAL, RING

18

7016615

SCREW

19

7226472

BOLT, FLANGE BLK

20

6624289

STRAP, TIE

21

30H18

CLAMP

22

6684641

MOUNT

23

28CM1020

BOLT

24

43DM10

NUT

25

7161986

PIN

26

1320075

PIN, COTTER

27

6990128

GUIDE, USER WINCH

28

BOLT NSS

29

WASHER NSS

30

NUT NSS

31

6990657

INSTRUCTIONS Was 6990656 - B,D

Выбрано товаров: 31