Запчасти Case IH 3440 (40) - PICKUP GAUGE WHEELS

Схема запчастей Case IH 3440 - (40) - PICKUP GAUGE WHEELS
FIT
1:1
100%

Артикул

Название

Примечание

Количество

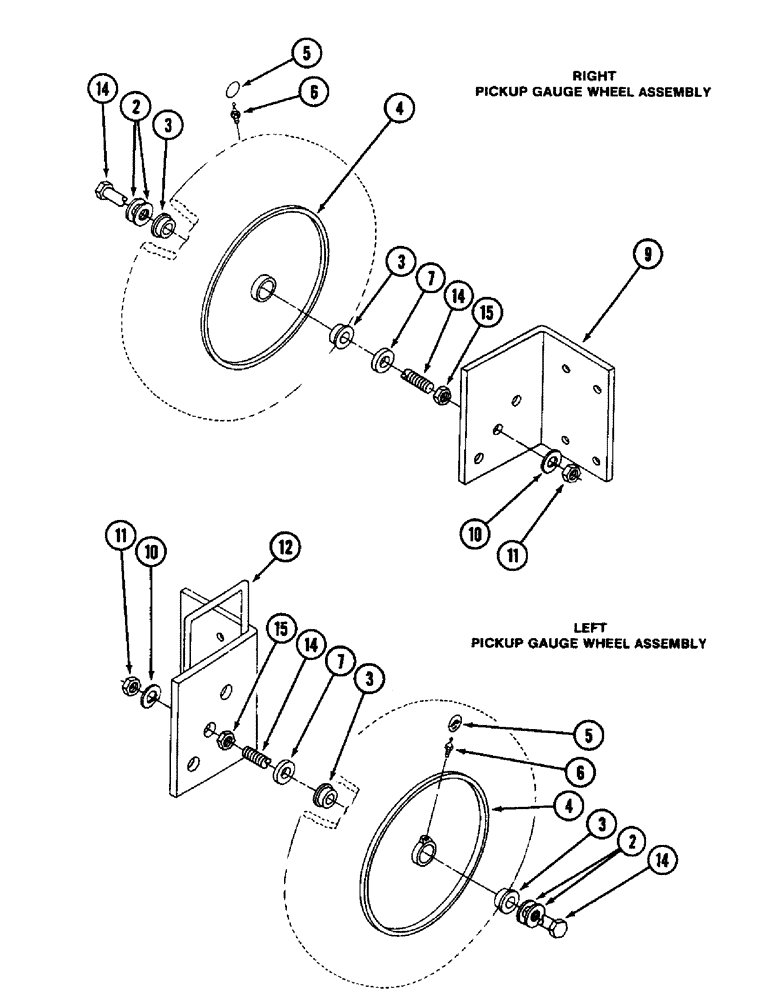
2

21753R1

WASHER

- flat, 25/32 x 1-1/2 x 3/64 inch (20 x 38 x 1 MM)

1шт.

3

ZA104825

BUSHING

- wheel

4шт.

4

ZA104582

WHEEL

- for 4.80/4.00 x 8 tire

2шт.

5

REF

INSTRUCTION

DECAL - grease, 10 hours (See page 62)

2шт.

6

219-8

LUBE NIPPLE,1/4" - 28 NPTF

NIPPLE, LUBE, , straight 1/4"-28 NPT x .54" lg

2шт.

7

467750R1

WASHER

- flat, 25/32 x 1-1/2 x 1/4 inch (20 x 38 x 3 MM)

1шт.

9

ZA105414

BRACKET

- wheel, right

1шт.

10

87340

LOCK WASHER,Helical Spring, 0.759" ID, CST, ZND

WASHER, LOCK, 3/4"

2шт.

11

280954

NUT,3/4"-10, G5

2шт.

12

ZA105412

BRACKET

- wheel, left

1шт.

14

19873R1

HARDWARE,Hex, 3/4"-10 x 5 1/2", G5

BOLT - hex, 3/4 NC x 5-1/2 inch

2шт.

15

426897

JAM NUT,Jam, 3/4"-10, G5

- hex jam, 3/4 inch NC

2шт.

Выбрано товаров: 12