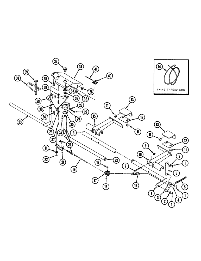
Запчасти Case IH 3440 (54) - TWINE TUBES AND CUTOFF

Схема запчастей Case IH 3440 - (54) - TWINE TUBES AND CUTOFF
FIT
1:1
100%

Артикул

Название

Примечание

Количество

1

432-1216

COTTER PIN,3/16" x 1"

Pin, Split (Cotter), 3/16" x 1"

3шт.

2

21883R1

WASHER

- flat, 17/32 x 1-3/4 x 3/32 inch (13 x 44 x 2 MM)

2шт.

3

ZA105518

STRAP

- bottom

1шт.

4

22042R1

WASHER

- flat, 17/32 x 2 x 7/64 inch (13 x 51 x 3 MM)

1шт.

5

1281008C1

SPRING

- extension

1шт.

6

ZA105516

STRAP

- top

1шт.

7

24621R1

BOLT,Hex, 3/8" - 16 x 2 1/4", Gr 8

4шт.

8

ZA105944

PIPE

- mounting, cutoff

1шт.

9

9413979

LOCK NUT,3/8"-16, GC

NUT - hex lock, 3/8 NC, grade 8

4шт.

10

ZA104837

STOP

CUTOFF - twine, left

1шт.

11

118775

WASHER,3/8" x 13/16" x .065"

- flat, 13/32 x 13/16 x 3/64 inch (10 x 21 x 2 MM)

5шт.

12

ZA104892

KNIFE

- twine

2шт.

13

ZA104862

HOLDER

- twine

2шт.

14

ZA104769

ELECTRICAL WIRE

WIRE - twine thread, 41 inch (1 041 MM)

1шт.

15

ZA104836

STOP

CUTOFF - twine, right

1шт.

16

103386

COTTER PIN,1/8" x 1 1/4"

Pin, Split (Cotter), 1/8" x 1 1/4"

1шт.

17

ZA206636

PULLEY

- twine threader

1шт.

18

22635R1

HEADED PIN,1/2" x 1 1/4"

PIN, HEADED, 1/2 x 1 1/4 inch

1шт.

19

ZA105990

CABLE

ASSEMBLY - twine tie

1шт.

20

120377

NUT,3/8" - 16, Gr 5

- hex, 5/16 inch NC

2шт.

21

ZA104703

ANCHOR

- cable

1шт.

22

103385

COTTER PIN,1/8" x 1"

PIN, SPLIT (COTTER), 1/8" x 1"

1шт.

23

ZA105948

TUBE

- twine

2шт.

24

96317C1

KEY

- 1/4 x 1-1/8 inch

2шт.

25

20885R1

WASHER

- flat, 1-5/32 x 2 x 1/16 inch (29 x 51 x 2 MM)

2шт.

26

611344R1

WASHER

- flat, 11/32 x 7/8 x 1/16 inch (9 x 22 x 2 MM)

4шт.

27

21407R1

SCREW

- set, square head cup point, 3/8 NC x 1-1/4 inch

4шт.

28

124829

JAM NUT,Hex, 3/8" - 16, Gr 5

4шт.

29

ZA104729

GEAR

- 6 tooth

2шт.

30

ZA105847

PLATE

- pivot

1шт.

31

274085R91

HOSE CLAMP,#10, 0.56/1.06 Type F Worm

CLAMP - hose, no 10, type F

2шт.

32

488837C1

SPRING NUT

- speed

2шт.

33

591715R1

WASHER

- flat, 1-1/32 x 1-1/2 x 1/16 inch (26 x 38 x 2 MM)

4шт.

34

ZA105848

SHIELD

- gear

1шт.

35

533959R1

CABLE TIE,.135" x 11"

STRAP - tie

1шт.

36

ZA104633

GUIDE

- twine

2шт.

37

489377R1

STUD - 5/16 NC x 4 inch

1шт.

38

ZA105769

BRACKET

- actuator

1шт.

39

20601R1

WASHER

- flat, 17/32 x 1-1/4 x 7/64 inch (13 x 32 x 3 MM)

1шт.

40

REF

INSTRUCTION

COUNTER - bale (See page 56)

1шт.

41

REF

INSTRUCTION

SPRING - extension, bale counter (See page 56)

1шт.

Выбрано товаров: 41