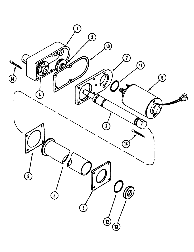
Запчасти Case IH 3440 (04) - TWINE TUBE ACTUATOR

Схема запчастей Case IH 3440 - (04) - TWINE TUBE ACTUATOR
FIT
1:1
100%

Артикул

Название

Примечание

Количество

ZA105658

ACTUATOR

- twine tube

1шт.

1

1281482C1

HOUSING

- gear

1шт.

2

1281483C1

ADJUSTMENT SCREW

- actuator

5шт.

3

1281484C1

GEAR

- actuator

1шт.

4

1281485C1

CLUTCH

- actuator

1шт.

5

1281486C1

COVER

- rod

1шт.

6

1281487C1

KIT

MOTOR - actuator

1шт.

7

1281488C1

HOUSING

COVER - housing

1шт.

8

NSS

NOT SOLD SEPARAT

RETAINER - cover

1шт.

9

NSS

NOT SOLD SEPARAT

SEAL - retainer

1шт.

Part of seal kit P/N 1281489C1

1шт.

10

NSS

NOT SOLD SEPARAT

GASKET - housing

1шт.

Part of seal kit P/N 1281489C1

1шт.

11

NSS

NOT SOLD SEPARAT

SEAL - motor

1шт.

Part of seal kit P/N 1281489C1

1шт.

12

NSS

NOT SOLD SEPARAT

O-RING

1шт.

Part of seal kit P/N 1281489C1

1шт.

13

NSS

NOT SOLD SEPARAT

SEAL - lip

1шт.

Part of seal kit P/N 1281489C1

1шт.

14

103396

PIN, SPLIT (COTTER),5/32" x 1"

5/32" x 1"

2шт.

1281489C1

SEAL KIT

KIT - seal, Includes: Ref. 9, 10, 11,12 and 13

1шт.

Выбрано товаров: 21