Запчасти Case IH 3440 (08) - MAIN DRIVE TRAIN

Схема запчастей Case IH 3440 - (08) - MAIN DRIVE TRAIN
FIT
1:1
100%

Артикул

Название

Примечание

Количество

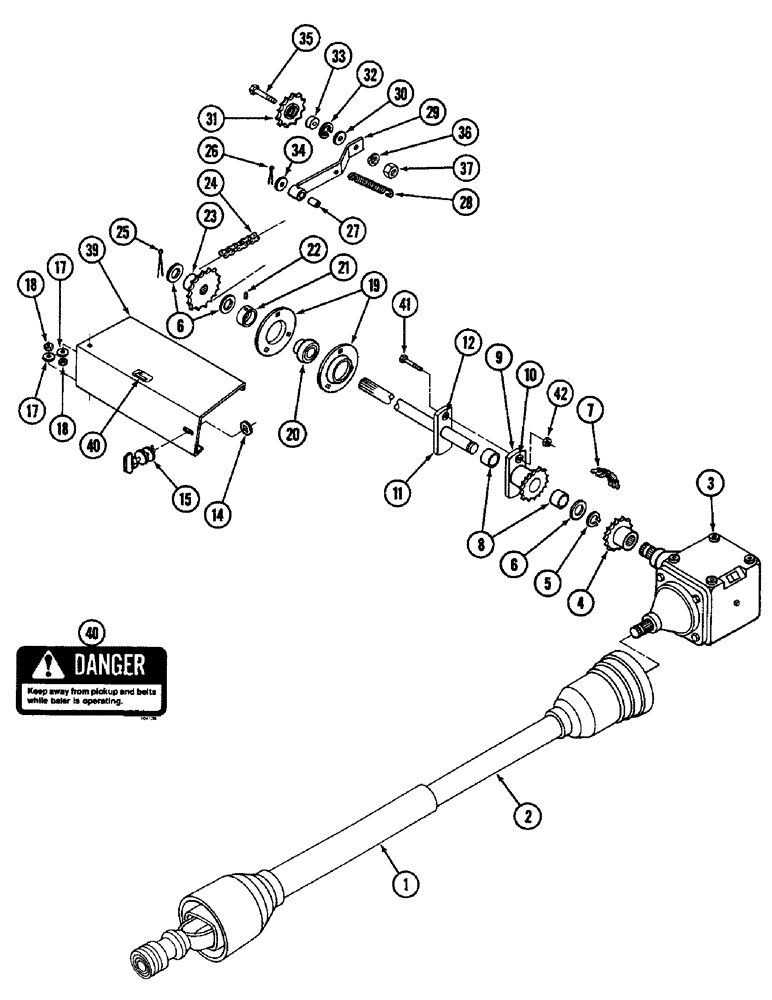
1

REF

INSTRUCTION

DRIVE SHAFT ASSEMBLY - constant velocity, tractor half, 540 RPM (Bondioli and Pavesi) (See page 10)

1шт.

1

REF

INSTRUCTION

DRIVE SHAFT ASSEMBLY - constant velocity, tractor half, 1000 RPM (Bondioli and Pavesi) (See page 10)

1шт.

2

REF

INSTRUCTION

DRIVE SHAFT ASSEMBLY - constant velocity, implement half (Bondioli and Pavesi) (See page 10)

1шт.

3

REF

INSTRUCTION

GEARBOX - baler (See page 12)

1шт.

4

ZA105085

SPROCKET ASSY.

SPROCKET - 16 tooth

1шт.

5

1254030C1

RING

- retaining

1шт.

6

22051R1

WASHER

- flat, 1-17/32 x 2-1/4 x 3/64 inch (39 x 57 x 1 MM)

1шт.

7

NSS

NOT SOLD SEPARAT

CHAIN ASSEMBLY - coupling (Use 15 links from bulk chain 28363R1, and 1 connecting link 28361R1)

1шт.

28363R1

CHAIN (AG)

CHAIN - 10 foot (3 M) roll

1шт.

28361R1

LINK

- chain, connecting

1шт.

8

96329C1

BUSHING

- 1-1/2 ID x 1 inch (38 x 25 MM)

2шт.

9

ZA105088

SPROCKET ASSY.

SPROCKET - 16 tooth

1шт.

10

ZA301074

BUSHING

- 9/32 ID x 5/8 inch OD (7 x 16 MM)

1шт.

11

ZA105936

SHAFT

ASSEMBLY - cross

1шт.

12

ZA301074

BUSHING

- 9/32 ID x 5/8 inch OD (7 x 16 MM)

1шт.

14

ZA103937

WASHER

- retaining

2шт.

15

ZA103138

FASTENER

- shield

1шт.

17

106969R1

WASHER

- flat, 11/32 x 1-1/4 x 3/64 inch (9 x 32 x 1 MM)

2шт.

18

9412083

NUT,5/16"-18, GB

NUT - hex lock, 5/16 inch NC

2шт.

19

619333R1

FLANGED BEARING

HOUSING - bearing

2шт.

20

664597R91

BALL BEARING,1.5005" ID x 90 mm OD x 1.625"

- ball

1шт.

21

664598R11

COLLAR

- locking

1шт.

22

485-13816

SET SCREW,Sq Hd, 3/8"-16 x 1"

SCREW - set, square head cup point, 3/8 NC x 1 inch

1шт.

23

ZA104591

SPROCKET ASSY.

SPROCKET - 16 tooth

1шт.

24

NSS

NOT SOLD SEPARAT

CHAIN ASSEMBLY - main drive (Use 99 links from bulk chain 654437R91, 1 offset link 654439R1, and 1 connecting link 654438R91)

1шт.

24

NSS

NOT SOLD SEPARAT

CHAIN ASSEMBLY - main drive, power reduction (Use 93 links from bulk chain 654437R1, 1 offset link 654439R1, 1 connecting link 654438R91)

1шт.

654437R91

CHAIN (AG)

CHAIN - 10 foot (3 M) roll

1шт.

654438R91

LINK

- chain, connecting

1шт.

654439R91

LINK

- chain, offset

1шт.

25

432-1640

COTTER PIN,1/4" x 2 1/2"

Pin, Split (Cotter), 1/4" x 2 1/2"

1шт.

26

432-1220

COTTER PIN,3/16" x 1 1/4"

Pin, Split (Cotter), 3/16" x 1 1/4"

1шт.

27

96315C1

BRONZE BUSHING

BUSHING - 3/4 ID x 1 inch (19 x 25 MM)

1шт.

28

1281008C1

SPRING

- extension

1шт.

29

ZA104649

ARM

- idler sprocket

1шт.

30

67872C1

WASHER

- flat, hardened

1шт.

31

ZA740486

SPROCKET ASSY.

SPROCKET - 12 tooth

1шт.

32

1254031C1

RING

- retaining

1шт.

33

A65781

BALL BEARING,0.6693" ID x 1.5748" OD x 0.4724"

BEARING - ball

1шт.

34

446257

WASHER,3/4" x 1 3/4" x .148"

- flat, 13/16 x 1-3/4 x 1/8 inch (21 x 44 x 3 MM)

1шт.

35

271548

BOLT (SPREADER),Hex, 5/8" - 11 x 1 3/4", Gr 5

BOLT - hex, 5/8 NC x 1-3/4 inch

1шт.

36

492-11062

BEARING WASHER,5/8"

WASHER, LOCK, 5/8"

1шт.

37

280374

NUT,Hex, 5/8" - 11, Gr 5

- hex, 5/8 inch NC

1шт.

38

ZA105377

SHIELD

- cross shaft

1шт.

40

REF

INSTRUCTION

DECAL - danger, keep away from pickup and belts (See page 62)

1шт.

41

280112

BOLT,Hex, 1/4" - 20 x 1-1/2", Gr 5

1шт.

42

378531R1

LOCK NUT,1/4"-20, GA

NUT - hex lock, 1/4 inch NC

1шт.

Выбрано товаров: 46