Запчасти Case IH 3450 (60) - BELTS & ROLLER ASSYS 7 - 10, MACHINES W/ 1-1/4" (31 MM) ID HEX BORE BEARINGS, P.I.N. 001281 & AFTER,

Схема запчастей Case IH 3450 - (60) - BELTS & ROLLER ASSYS 7 - 10, MACHINES W/ 1-1/4" (31 MM) ID HEX BORE BEARINGS, P.I.N. 001281 & AFTER,
FIT
1:1
100%

Артикул

Название

Примечание

Количество

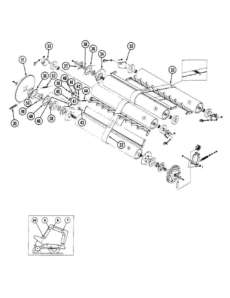
BELTS AND ROLLER ASSEMBLIES 7 THRU 10 (Continued from Page 59)

1шт.

32

ZA105005

BELT

- top endless (11 inch wide)

10шт.

33

ZA104986

BRACKET

TIGHTENER - right

2шт.

189305

BOLT,Hex, 3/8" - 16 x 3 1/2", Gr 5

- hex, 3/8 NC x 3-1/2

2шт.

34

ZA104841

HOUSING

- bearing

1шт.

17351R1

CARRIAGE BOLT,Short Sq Nk, 3/8" - 16 x 1", Gr 2

BOLT - round head square neck, 3/8 NC x 1 inch

5шт.

35

NSS

NOT SOLD SEPARAT

CHAIN ASSEMBLY (Use 99 links from roll marked 654437R91, 1 offset link 654439R91 and 1 connecting link, 654438R91) (For power reduction use 95 links)

1шт.

654437R91

CHAIN (AG)

CHAIN - 10 foot (3.048 m) roll

1шт.

654438R91

LINK

- connecting

1шт.

654439R91

LINK

- offset

1шт.

36

ZA104227

SPROCKET ASSY.

SPROCKET - 30 teeth

2шт.

37

ZA104593

HUB

1шт.

38

22822R1

WASHER

- flat, 1-21/32 x 2-1/2 x 3/32 inch (42 x 63 x 2 mm)

2шт.

39

413-1032

BOLT,Hex, 5/8" - 11 x 2", Gr 5

- hex, 5/8 NC x 2 inch

1шт.

40

541857R92

SPROCKET,15T

IDLER - 15 teeth

1шт.

41

67872C1

WASHER

- flat, 21/32 x 1-1/4 x 1/4 inch (16 x 31 x 6 mm)

1шт.

42

ZA104649

ARM

1шт.

43

96315C1

BRONZE BUSHING

BUSHING

1шт.

44

1281008C1

SPRING

- extension

1шт.

45

NSS

NOT SOLD SEPARAT

CHAIN ASSEMBLY (Use 187 links from roll marked 611362R91 and 1 connecting link, 574532R91)

1шт.

611362R91

CHAIN (AG)

CHAIN - 10 foot (3.048 m) roll

1шт.

574532R91

CLIP, SPRING

LINK - connecting

1шт.

46

NSS

NOT SOLD SEPARAT

DECAL - grease (50 hours) (Order kit 1265869C93)

1шт.

47

219-37

LUBE NIPPLE,45 Degree Elbow, 1/4" - 28 NPTF

FITTING - grease, 1/4 PTF x 45 degree

2шт.

48

ZA104229

SPROCKET ASSY.

SPROCKET - 30 teeth

1шт.

49

ZA104619

HUB

1шт.

50

ZA104607

SPACER

1шт.

51

ZA104656

SPROCKET ASSY.

SPROCKET - 52 teeth (Interchangeable with ZA104624)

1шт.

51

ZA104624

SPROCKET ASSY.

SPROCKET - 42 teeth (Interchangeable with ZA104656) (For power reduction)

1шт.

191249

BOLT,Hex, 3/8" - 16 x 3 3/4", Gr 5

- hex, 3/8 NC x 3-1/2 inch

4шт.

120382

LOCK WASHER,Helical Spring, 3/8"

WASHER, LOCK, 3/8"

4шт.

52

NSS

NOT SOLD SEPARAT

CHAIN ASSEMBLY (Use 151 links from roll marked 611362R91 and 1 connecting link, 574532R91)

1шт.

611362R91

CHAIN (AG)

CHAIN - 10 foot (3.048 m) roll

1шт.

574532R91

CLIP, SPRING

LINK - connecting

1шт.

208790C1

PACKAGE

KIT - belt repair (Box of lacing hooks)

1шт.

1254050C1

TOOL

LACER - belt (6 inch)

1шт.

Выбрано товаров: 36