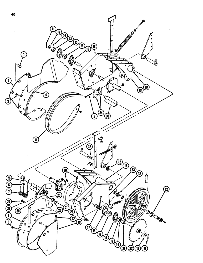
Запчасти Case IH 3640 (40) - PICKUP

Схема запчастей Case IH 3640 - (40) - PICKUP
FIT
1:1
100%

Артикул

Название

Примечание

Количество

1

488837C1

SPRING NUT

- speed, 5/16 inch

8шт.

2

ZA104585

FILLER

- right

1шт.

3

155807C1

BOLT,Hex Serr, 5/16" - 18 x 1"

8шт.

4

ZA105683

BAND

- end, right

1шт.

5

180137

BOLT,Hex, 3/8" - 16 x 2 3/4", Gr 5

- hex, 3/8 NC x 2-3/4 inch

16шт.

6

142619H

WASHER

- flat, 13/32 x 3/4 x 7/64 inch (10 x 19 x 3 mm)

36шт.

7

ZA103012

TOOTH

FINGER - spring

36шт.

8

ZA105680

BAND

- finger

17шт.

9

ZA105684

BAND

- end, left

1шт.

10

ZA104584

FILLER

- left

1шт.

11

432-1628

COTTER PIN,1/4" x 1 3/4"

Pin, Split (Cotter), 1/4" x 1 3/4"

2шт.

12

22050R1

WASHER

- flat, 1-9/32 x 1-3/4 x 3/64 inch (33 x 44 x 1 mm)

1шт.

13

557995R11

COLLAR

- locking

2шт.

14

192450

SET SCREW,Hex Soc, 5/16"-18 x 5/16"

SCREW - set, headless hex socket, 5/16 NC x 5/16 inch

1шт.

15

85469R1

HOUSING - bearing

4шт.

16

617667R92

BALL BEARING,31.75mm ID x 62mm OD x 18mm W

- ball

2шт.

17

ZA104210

SHAFT

- drive, pickup, 11-5/16 inch (287 mm)

1шт.

18

ZA105901

FRAME

- pickup

1шт.

19

ZA105818

BRACKET

- frame

17шт.

20

219-8

LUBE NIPPLE,1/4" - 28 NPTF

NIPPLE, LUBE, , straight 1/4"-28 NPT x .54" lg

2шт.

21

80722

LUBE NIPPLE,3/16" x .55" lg, Drive

FITTING - grease, drive type, 3/16 inch

4шт.

22

154273C1

BOLT,Hex Serr, 3/8" - 16 x 1", Spcl

SCREW - hex flange lock, 3/8 NC x 1 inch

8шт.

23

96338C1

BEARING

ROLLER - cam follower

4шт.

24

ZA105580

BEARING HALF,1.62"

CAP - bearing half

16шт.

25

25710R1

WASHER

- flat, hardened

4шт.

26

120384

WASHER,1/2"

LOCK, 1/2"

4шт.

27

120371

NUT,1/2"-20, G5

4шт.

28

180122

BOLT,Hex, 3/8" - 16 x 1", Gr 5

- hex, 3/8 NC x 1 inch

36шт.

29

ZA105772

CAM

- pickup

1шт.

30

ZA105905

BAR

- pickup

4шт.

31

298274R1

BUSHING

SPACER - tube

1шт.

32

ZA761609

SPROCKET ASSY.

SPROCKET - 20 tooth

1шт.

33

ZA712225

SLIDE

- chain

1шт.

Выбрано товаров: 33