Запчасти Case IH 3640 (42) - PICKUP

Схема запчастей Case IH 3640 - (42) - PICKUP
FIT
1:1
100%

Артикул

Название

Примечание

Количество

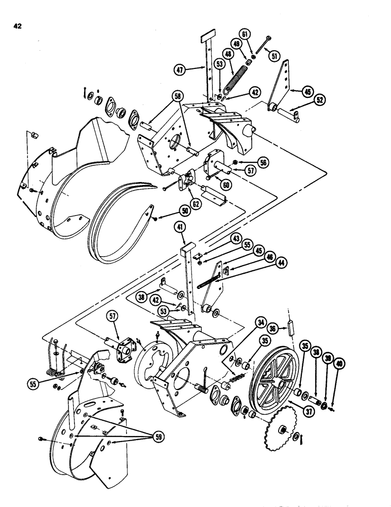
34

NSS

NOT SOLD SEPARAT

CHAIN ASSEMBLY - pickup drive (Use 33 links from bulk chain 569089R91, 1 offset link 456929R1, and 1 connecting link 587372R91)

1шт.

569089R91

CHAIN (AG),10' L, 1.0" Pitch

CHAIN - 10 foot (3 m) roll

1шт.

456929R91

CHAIN LINK

LINK - chain, connecting

1шт.

587372R91

CONNECTING LINK

LINK - chain, connecting

1шт.

35

1281010C1

BUSHING

- 1-1/4 ID x 1 inch (32 x 25 mm)

2шт.

36

ZA104486

V-BELT,0.66" W x 76.75" L

Drive, Regular speed (See Note) 0.66" W x 76.75" L

1шт.

36

ZA105053

V-BELT,0.66" W x 78.52" L

Drive, High speed (See Note) 0.66" W x 78.52" L

1шт.

37

ZA104375

PULLEY

SHEAVE AND SPROCKET ASSEMBLY - pickup

1шт.

38

ZA104443

SHAFT

- pivot, left

1шт.

39

152450R1

SNAP RING,#125, Ext

RING - external retaining, 1-5/32 inch (29 mm)

1шт.

40

109461

LUBE NIPPLE,1/8"-27 x .66 lg

NIPPLE, LUBE, , PT 1/8"-27 x .66 lg

1шт.

41

ZA104464

STOP

- left

1шт.

42

407211R1

CLIP

PIN - hair (Package of 20)

2шт.

43

ZA104413

LOCKING PLATE

- lock

1шт.

44

ZA290043

SPRING

- extension

1шт.

45

ZA104461

BRACKET

- pivot shaft

2шт.

46

ZA100457

ANGLE

CLIP - angle

1шт.

47

ZA104503

STOP

- right

1шт.

48

ZA762032

SPRING

- extension

1шт.

49

ZA761517

PLUG

INSERT - spring

1шт.

50

155807C1

BOLT,Hex Serr, 5/16" - 18 x 1"

68шт.

51

480556C1

BOLT,Spcl, 1/2" - 13 x 8"

- hex, 1/2 NC x 8 inch

1шт.

52

ZA104441

SHAFT

- pivot, right

1шт.

53

NLS

NO LONGER SERVICED

- flat, 21/32 x 1-5/16 x 5/64 inch (17 x 33 x 2 mm)

2шт.

55

9413979

LOCK NUT,3/8"-16, GC

NUT - hex lock, 3/8 inch NC, Grade 8

37шт.

56

9413956

LOCK NUT,1/2"-13, GB

NUT - hex lock, 1/2 inch NC

4шт.

57

ZA105903

REEL

- pickup

1шт.

58

ZA104224

SHAFT

- right, 8-1/2 inch (216 mm)

1шт.

59

REF

INSTRUCTION

DECAL - grease, 50 hours (See Page 69)

3шт.

60

180183

BOLT,Hex, 1/2" - 13 x 2 1/4", Gr 5

- hex, 1/2 NC x 2-1/4 inch

4шт.

61

120378

NUT,Hex, 1/2" - 13, Gr 5

NUT, 1/2"-13, G5

1шт.

62

120394

WASHER,3/8", SAE

WASHER - flat, 13/32 x 13/16 x 3/64 inch (10 x 21 x 1 mm)

16шт.

Выбрано товаров: 32