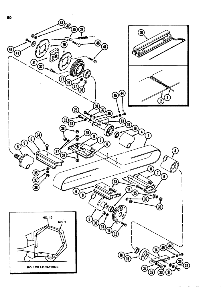
Запчасти Case IH 3640 (50) - BELTS AND ROLLER ASSEMBLIES 9 AND 10

Схема запчастей Case IH 3640 - (50) - BELTS AND ROLLER ASSEMBLIES 9 AND 10
FIT
1:1
100%

Артикул

Название

Примечание

Количество

1

ZA105005

BELT

- roller, endless, 11 inch (279 mm) wide (Alternate part is ZA105003)

4шт.

2

ZA105003

BELT

- Roller, 11 inch (279 mm) wide (Alternate part is ZA105005)

4шт.

3

ZA102977

PIN

- belt

1шт.

4

ZA105916

ROLLER

ASSEMBLY - Number 9

1шт.

5

ZA105925

ROLLER

ASSEMBLY - Number 10

1шт.

6

ZA105996

STRIPPER

SCRAPER - roller

2шт.

7

ZA105997

DIVIDER

- belt

1шт.

8

ZA105999

BRACKET

- divider/scraper

1шт.

9

ZA105995

BRACKET

- scraper

1шт.

13

ZA105037

BLOCK

- adjusting, right

1шт.

14

ZA105038

BLOCK

- adjusting, left

1шт.

15

ZA105796

COLLAR

- bearing

2шт.

16

ZA105794

BALL BEARING

BEARING - hex bore, 1.25 inch (32 mm) ID

3шт.

17

ZA105054

HOUSING

- pivot, right

1шт.

18

ZA105795

HOUSING

- pivot, left

1шт.

19

96328C1

BALL BEARING,40mm ID x 80mm OD x 22mm W

- ball, 1.57 inch (40 mm) ID

1шт.

20

ZA104227

SPROCKET ASSY.

SPROCKET - 30 tooth

2шт.

21

ZA104593

HUB

- splined

1шт.

23

1017954R1

PLUG,Cap, .485" OD

- cap

2шт.

24

NSS

NOT SOLD SEPARAT

CHAIN ASSEMBLY - roller (Use 121 links from bulk chain 611362R91, 1 offset link 612612R91, and 1 connecting link 574532R91)

1шт.

611362R91

CHAIN (AG)

CHAIN - 10 foot (3 m) roll

1шт.

612612R91

CHAIN LINK

LINK - chain, offset

1шт.

574532R91

CLIP, SPRING

LINK - chain, connecting

1шт.

25

ZA304776

SLIDE

- chain

1шт.

26

1254050C1

TOOL

LACER - belt, 6 inch (152 mm)

1шт.

31

9635884

BOLT,Hex, 5/16" - 18 1", Full Thd, Gr 5

- hex, 5/16 NC x 1 inch

4шт.

32

180081

BOLT,Hex, 5/16"-18 x 1 1/4", G5

hex, 5/16"-18 NC x 1-1/4", grade 5

16шт.

33

16897R1

CARRIAGE BOLT,Short Nk, 5/16" - 18 x 3/4", Gr 2, Full Thd

BOLT - round head square neck, 5/16 NC x 3/4 inch, Grade 1

6шт.

34

12872R1

BOLT,Short NK, 5/16"-18 x 1", G2, Full Thd

CARRIAGE, Short NK, 5/16"-18 x 1", G2, Full Thd

12шт.

35

21448R1

WASHER

- flat, 11/32 x 7/8 x 3/64 inch (9 x 22 x 1 mm)

1шт.

37

80681

LOCK WASHER,5/16"

WASHER, LOCK, 5/16"

1шт.

38

120376

NUT,5/16"-18, G5

1шт.

41

113-257

BOLT,Hex, 3/8" - 16 x 2-1/2", Gr 5

- hex, 3/8 NC x 2-1/2 inch

4шт.

42

120382

LOCK WASHER,Helical Spring, 3/8"

WASHER, LOCK, 3/8"

4шт.

43

120377

NUT,3/8" - 16, Gr 5

4шт.

44

180192

BOLT (SPREADER),Hex, 1/2" - 13 x 3 1/2", Gr 5

BOLT - hex 1/2 NC x 3-1/2 inch

2шт.

45

120378

NUT,Hex, 1/2" - 13, Gr 5

NUT, 1/2"-13, G5

2шт.

46

26317R1

BOLT,Hex, 1/2" - 13 x 1 1/4", Gr 8

- hex lock, 1/2 NC x 1-1/4 inch, Grade 8

1шт.

47

357020R1

WASHER

- flat, 17/32 x 1-3/4 x 1/4 inch (13 x 44 x 6 mm)

1шт.

48

27464R1

CARRIAGE BOLT,Sq Nk, 1/2" - 13 x 4", Gr 5

BOLT - round head square neck, 1/2 NC x 4 inch

1шт.

208790C1

PACKAGE

KIT - repair, belt (Box of lacing hooks)

1шт.

Выбрано товаров: 41