Запчасти Case IH 3650 (26) - POWER TAKE OFF DRIVE, PRIOR TO P.I.N. 001530

Схема запчастей Case IH 3650 - (26) - POWER TAKE OFF DRIVE, PRIOR TO P.I.N. 001530
FIT
1:1
100%

Артикул

Название

Примечание

Количество

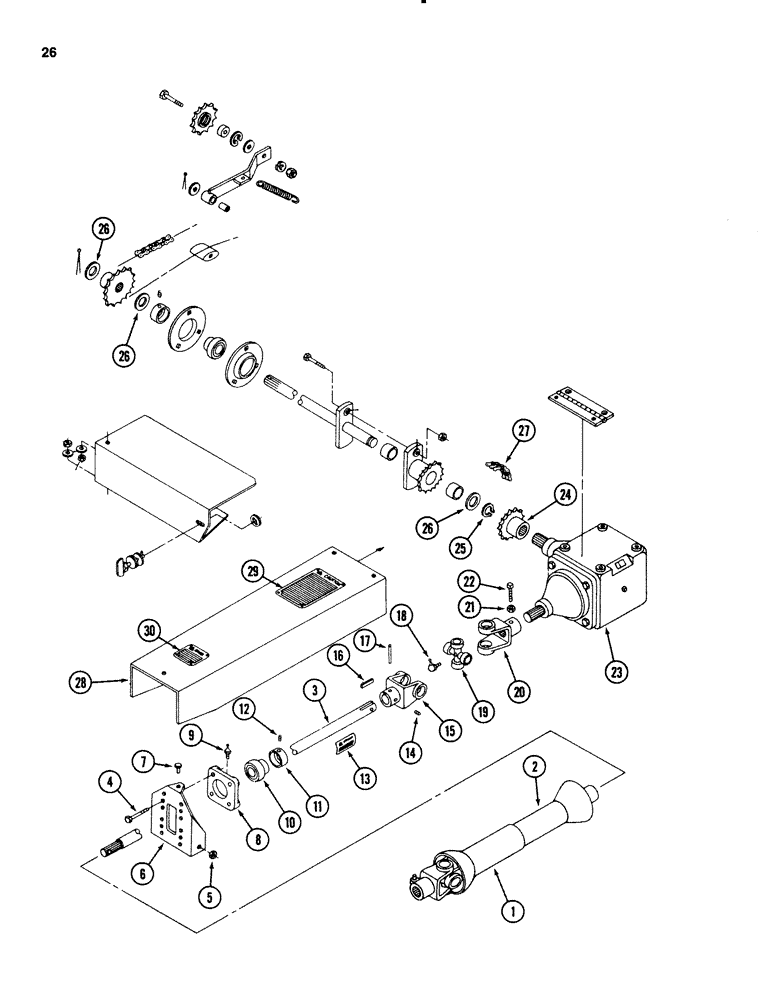
1

ZA104493

JOINT

ASSEMBLY - universal, tractor half 540 RPM (Hayes Dana) (See Page 35) (Interchangeable with 96347C1) (P.I.N. 000501 thru 000755)

1шт.

1

96347C1

JOINT

ASSEMBLY - universal, tractor half 540 RPM (Weasler) (See Page 37) (Interchangeable with ZA 104493) (P.I.N. 000756 thru 001530)

1шт.

1

ZA104492

JOINT

ASSEMBLY - universal, tractor half 1000 RPM (Hayes Dana) (See Page 35) (Interchangeable with 96346C1) (P.I.N. 000501 thru 000755)

1шт.

1

96346C1

JOINT

ASSEMBLY - universal, tractor half 1000 RPM (Weasler) (See Page 37) (Interchangeable with ZA104492) (P.I.N. 000756 thru 001530)

1шт.

2

ZA104496

JOINT

ASSEMBLY - universal, implement half (Hayes Dana) (See Page 35) (Interchangeable with ZA017173) (P.I.N. 000501 thru 000755)

1шт.

2

1336830C1

JOINT

ASSEMBLY - universal, implement half (Weasler) (See Page 37) (Interchangeable with ZA104469) (P.I.N. 000756 thru 001530)

1шт.

3

ZA105183

SHAFT

- drive

1шт.

4

180177

BOLT,Hex, 1/2" - 13 x 1 1/2", Gr 5

- hex, 1/2 NC x 1-1/2 inch

4шт.

5

9413956

LOCK NUT,1/2"-13, GB

NUT - hex lock, 1/2 inch NC

2шт.

6

ZA104323

BRACKET

- power take off drive

1шт.

7

ZA103821

BUMPER

- rubber

1шт.

8

97480C1

HOUSING, BEARING

HOUSING - bearing

1шт.

9

109461

LUBE NIPPLE,1/8"-27 x .66 lg

NIPPLE, LUBE, , PT 1/8"-27 x .66 lg

1шт.

10

478038R92

BALL BEARING,38.1mm ID x 80mm OD x 21mm W

1шт.

11

455112R11

COLLAR

- with set screw

1шт.

12

125843

SET SCREW,Hex Skt, 3/8"-16 x 3/8"

SCREW - set, hex socket headless cup point, 3/8 NF x 3/8 inch

1шт.

13

ZA740950

DECAL

- warning, shield

1шт.

14

125843

SET SCREW,Hex Skt, 3/8"-16 x 3/8"

SCREW - set, hex socket headless cup point, 3/8 NF x 3/8 inch

1шт.

15

ZA516382

YOKE

1шт.

16

Q55

KEY,3/8" Sq x 2", Par

- square parallel, 3/8 x 2 inch

1шт.

17

553110R1

LOCK PIN,5/16" x 2 3/4", Slotted

Pin, 5/16" x 2 3/4", Slotted

1шт.

18

80711

LUBE NIPPLE,65 Degree, 1/8" NPT x 7/8" lg

FITTING - grease, 65 degree, 1/8-27 inch PT

1шт.

19

480613R91

KIT

- cross

1шт.

20

664179R1

YOKE

1шт.

21

120378

NUT,Hex, 1/2" - 13, Gr 5

NUT, 1/2"-13, G5

1шт.

22

38904K

SET SCREW,1/2" - 20 x 1-9/16"

SCREW - sqauare head, 1/2 NC x 1-3/16 inch

1шт.

23

REF

INSTRUCTION

GEAR BOX (See Page 33)

1шт.

24

ZA105085

SPROCKET ASSY.

SPROCKET - 16 teeth

1шт.

25

1254030C1

RING

- retaining

1шт.

26

22051R1

WASHER

- flat, 1-17/32 x 2-1/4 x 3/64 inch (38 x 57 x 1 mm)

1шт.

27

NSS

NOT SOLD SEPARAT

CHAIN ASSEMBLY - (Use 15 links from roll 28363R1 and 1 connecting link 38361R1)

1шт.

28362R1

CHAIN - 10 foot (3.048 m) roll

1шт.

28361R1

LINK

- connecting

1шт.

28

ZA105187

SHIELD

ASSEMBLY

1шт.

29

96330C1

PRODUCT GRAPHIC

DECAL - caution, general safety

1шт.

30

96332C1

PRODUCT GRAPHIC

DECAL - caution, shields (Replaces ZA015966)

1шт.

Выбрано товаров: 36