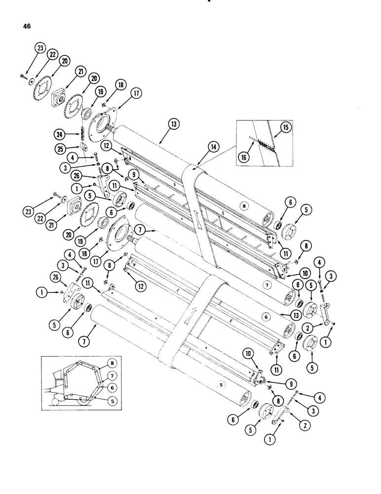
Запчасти Case IH 3650 (46) - BELTS & ROLLER ASSYS 5 - 8, MACHINES WITH 1-1/4" (31 MM) ID HEX BORE BEARINGS, P.I.N. 001531 & AFTER

Схема запчастей Case IH 3650 - (46) - BELTS & ROLLER ASSYS 5 - 8, MACHINES WITH 1-1/4" (31 MM) ID HEX BORE BEARINGS, P.I.N. 001531 & AFTER
FIT
1:1
100%

Артикул

Название

Примечание

Количество

1

1017954R1

PLUG,Cap, .485" OD

- cap

8шт.

2

ZA105038

BLOCK

- adjusting left

2шт.

180081

BOLT,Hex, 5/16"-18 x 1 1/4", G5

hex, 5/16"-18 NC x 1-1/4", grade 5

4шт.

3

120378

NUT,Hex, 1/2" - 13, Gr 5

NUT, 1/2"-13, G5

4шт.

4

180192

BOLT (SPREADER),Hex, 1/2" - 13 x 3 1/2", Gr 5

BOLT - hex, 1/2 NC x 3-1/2 inch

4шт.

5

ZA105796

COLLAR

- bearing

6шт.

9635884

BOLT,Hex, 5/16" - 18 1", Full Thd, Gr 5

- hex, 5/16 NC x 1 inch

24шт.

6

ZA105794

BALL BEARING

BEARING - hex bore, 1-1/4 inch ID (31 mm)

6шт.

7

ZA105775

ROLLER

(No. 5 and 7) (Note A)

2шт.

May be used for service replacement of roller on machines built prior to P.I.N. 001530 by also ordering 2 bearing, ZA105794 and 2 collar, ZA105796.

1шт.

8

21448R1

WASHER

- flat, 11/32 x 7/8 x 3/32 inch (8 x 22 x 2 mm)

1шт.

9

ZA105297

DIVIDER

2шт.

10

ZA105025

BRACKET

2шт.

16897R1

CARRIAGE BOLT,Short Nk, 5/16" - 18 x 3/4", Gr 2, Full Thd

BOLT - round head, square neck, 5/16 NC x 3/4 inch

4шт.

12872R1

BOLT,Short NK, 5/16"-18 x 1", G2, Full Thd

CARRIAGE, Short NK, 5/16"-18 x 1", G2, Full Thd

4шт.

11

ZA105023

BLADE

SCRAPER

4шт.

16897R1

CARRIAGE BOLT,Short Nk, 5/16" - 18 x 3/4", Gr 2, Full Thd

BOLT - round head, square neck, 5/16 NC x 3/4 inch

8шт.

12872R1

BOLT,Short NK, 5/16"-18 x 1", G2, Full Thd

CARRIAGE, Short NK, 5/16"-18 x 1", G2, Full Thd

8шт.

12

ZA105026

BRACKET

2шт.

16897R1

CARRIAGE BOLT,Short Nk, 5/16" - 18 x 3/4", Gr 2, Full Thd

BOLT - round head, square neck, 5/16 NC x 3/4 inch

8шт.

13

ZA105781

ROLLER

- (No. 6 and 8) (Note B) (Replaces ZA105012)

2шт.

REF # 13 BRNG, SUB INFO: FOR APPLICATIONS WHICH REQUIRE A SPLINED BORE ONLY. IF APPLICATION REQUIRES A HEXAGON BORE, USE 700709621 . 10/10/95 AUTHOR: HOOD MARVIN J. (SMA 9-4-97).

1шт.

May be used for service replacement of roller on machines built prior to P.I.N. 001530 by also ordering bearing, ZA105794 and collar, ZA105796.

1шт.

14

ZA105005

BELT

- top endless (11 inch wide)

10шт.

15

ZA105003

BELT

- Top (11 inch wide)

10шт.

16

ZA102977

PIN

10шт.

17

ZA104841

HOUSING

- bearing

2шт.

18684R1

BOLT,Sht Sq Nk, 3/8" - 16 x 1 1/4", Gr 2

- round head, square neck, 3/8 NC x 1-1/4 inch

10шт.

18

120394

WASHER,3/8", SAE

WASHER - flat, 11/32 x 13/16 x 1/16 inch (10 x 20 x 1 mm)

10шт.

19

96328C1

BALL BEARING,40mm ID x 80mm OD x 22mm W

- 1.5753 inch ID (40 mm)

2шт.

20

ZA105227

SPROCKET - 30 teeth

3шт.

180130

BOLT,Hex, 3/8" - 16 x 2", Gr 5

- hex, 3/8 NC x 2 inch

4шт.

113-257

BOLT,Hex, 3/8" - 16 x 2-1/2", Gr 5

- hex, 3/8 NC x 2-1/2 inch

4шт.

21

ZA104593

HUB

- splines

2шт.

22

357020R1

WASHER

- flat, 17/32 x 1-3/4 x 1/4 inch (13 x 44 x 6 mm)

2шт.

23

26317R1

BOLT,Hex, 1/2" - 13 x 1 1/4", Gr 8

- hex, 1/2 NC x 1-1/4 inch

2шт.

24

NSS

NOT SOLD SEPARAT

CHAIN (Use 121 links from roll marked 311362R91, 1 offset link 612612R91 and 1 connecting link 574532R91)

1шт.

611362R91

CHAIN (AG)

CHAIN - 10 foot (3.048 m) roll

1шт.

612612R91

CHAIN LINK

LINK - offset

1шт.

574532R91

CLIP, SPRING

LINK - connecting

1шт.

25

ZA304776

SLIDE

- chain

1шт.

27464R1

CARRIAGE BOLT,Sq Nk, 1/2" - 13 x 4", Gr 5

BOLT - round head, square neck, 1/2 NC x 4 inch Type 5

1шт.

26

ZA105037

BLOCK

- adjusting right

2шт.

180081

BOLT,Hex, 5/16"-18 x 1 1/4", G5

hex, 5/16"-18 NC x 1-1/4", grade 5

4шт.

208790C1

PACKAGE

KIT - belt repair (Box of lacing hooks)

1шт.

1254050C1

TOOL

LACER - belt (6 inch)

1шт.

Выбрано товаров: 46