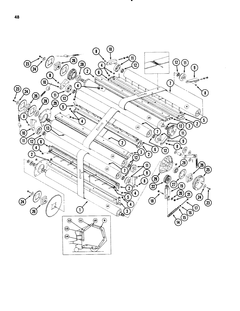
Запчасти Case IH 3650 (48) - BELTS AND ROLLER ASSEMBLIES 9 - 14, MACHINES WITH 1.378" (35 MM) ID BEARINGS, PRIOR TO P.I.N. 001530

Схема запчастей Case IH 3650 - (48) - BELTS AND ROLLER ASSEMBLIES 9 - 14, MACHINES WITH 1.378" (35 MM) ID BEARINGS, PRIOR TO P.I.N. 001530
FIT
1:1
100%

Артикул

Название

Примечание

Количество

1

ZA104460

ROLLER

(No. 14)

1шт.

2

ZA105023

BLADE

SCRAPER

6шт.

16897R1

CARRIAGE BOLT,Short Nk, 5/16" - 18 x 3/4", Gr 2, Full Thd

BOLT - round head, square neck, 5/16 NC x 3/4 inch

12шт.

12872R1

BOLT,Short NK, 5/16"-18 x 1", G2, Full Thd

CARRIAGE, Short NK, 5/16"-18 x 1", G2, Full Thd

12шт.

3

ZA105026

BRACKET

3шт.

16897R1

CARRIAGE BOLT,Short Nk, 5/16" - 18 x 3/4", Gr 2, Full Thd

BOLT - round head, square neck, 5/16 NC x 3/4 inch

12шт.

4

21448R1

WASHER

- flat, 11/32 x 7/8 x 3/32 inch (8 x 22 x 2 mm)

40шт.

5

ZA105030

DIVIDER

- (For 4-3/4 inch wide belts) (Prior to P.I.N. 001179)

3шт.

5

ZA105297

DIVIDER

- (For 11 inch wide belts) (P.I.N. 001180 and after)

3шт.

6

ZA105025

BRACKET

3шт.

16897R1

CARRIAGE BOLT,Short Nk, 5/16" - 18 x 3/4", Gr 2, Full Thd

BOLT - round head, square neck, 5/16 NC x 3/4 inch

6шт.

12872R1

BOLT,Short NK, 5/16"-18 x 1", G2, Full Thd

CARRIAGE, Short NK, 5/16"-18 x 1", G2, Full Thd

6шт.

7

ZA105010

ROLLER

(No. 9, 11 and 13)

3шт.

8

1017954R1

PLUG,Cap, .485" OD

- cap

6шт.

9

ZA105038

BLOCK

- adjusting left

3шт.

180081

BOLT,Hex, 5/16"-18 x 1 1/4", G5

hex, 5/16"-18 NC x 1-1/4", grade 5

6шт.

10

ZA105037

BLOCK

- adjusting right

3шт.

180081

BOLT,Hex, 5/16"-18 x 1 1/4", G5

hex, 5/16"-18 NC x 1-1/4", grade 5

6шт.

11

ZA105045

COLLAR

- bearing

7шт.

12

1415467R91

BALL BEARING,35 mm ID x 72 mm OD x 17 mm

- 1.378 inch ID (35 mm)

6шт.

13

ZA105012

ROLLER

(No. 12)

1шт.

14

ZA271276

SPRING

1шт.

15

ZA201085

INSERT

PLUG - lift spring

1шт.

16

120378

NUT,Hex, 1/2" - 13, Gr 5

NUT, 1/2"-13, G5

1шт.

17

750832R1

BOLT

- hex, 1/2 NC x 4-1/2 inch

1шт.

18

180193

BOLT,Hex, 1/2" - 13 x 3 3/4", Gr 5

- hex, 1/2 NC x 3-3/4 inch

1шт.

19

ZA104215

ARM

1шт.

180183

BOLT,Hex, 1/2" - 13 x 2 1/4", Gr 5

- hex, 1/2 NC x 2-1/4 inch

1шт.

20

27342R1

WASHER

WASHER - flat, 17/32 x 1 x 1/16 inch (13 x 25 x 1 mm)

1шт.

21

9413956

LOCK NUT,1/2"-13, GB

NUT - hex lock, 1/2 inch NC

1шт.

22

ZA103001

PULLEY

SHEAVE - belt idler

1шт.

23

26316R1

BOLT,Hex, 1/2" - 13 x 1", Gr 8

- hex lock, 1/2 NC x 1 inch Type 8

3шт.

24

357020R1

WASHER

- flat, 17/32 x 1-3/4 x 1/4 inch (13 x 44 x 6 mm)

3шт.

25

ZA105052

PULLEY

SHEAVE - speed up (Interchangeable with ZA104246)

1шт.

25

ZA104246

PULLEY

SHEAVE - slow down (Interchangeable with ZA105052)

1шт.

26

ZA104593

HUB

- splined

4шт.

27

ZA104226

SPROCKET ASSY.

SPROCKET - 24 tooth

1шт.

113-257

BOLT,Hex, 3/8" - 16 x 2-1/2", Gr 5

- hex, 3/8 NC x 2-1/2 inch

4шт.

28

96328C1

BALL BEARING,40mm ID x 80mm OD x 22mm W

- 1.5753 inch ID (40 mm)

3шт.

29

ZA104841

HOUSING

- bearing

2шт.

18684R1

BOLT,Sht Sq Nk, 3/8" - 16 x 1 1/4", Gr 2

- round head, square neck, 3/8 NC x 1-1/4 inch

5шт.

Выбрано товаров: 41