Запчасти Case IH 3650 (50) - BELTS AND ROLLER ASSEMBLIES 9 - 14, MACHINES WITH 1.378" (35 MM) ID BEARINGS, PRIOR TO P.I.N. 001530

Схема запчастей Case IH 3650 - (50) - BELTS AND ROLLER ASSEMBLIES 9 - 14, MACHINES WITH 1.378" (35 MM) ID BEARINGS, PRIOR TO P.I.N. 001530
FIT
1:1
100%

Артикул

Название

Примечание

Количество

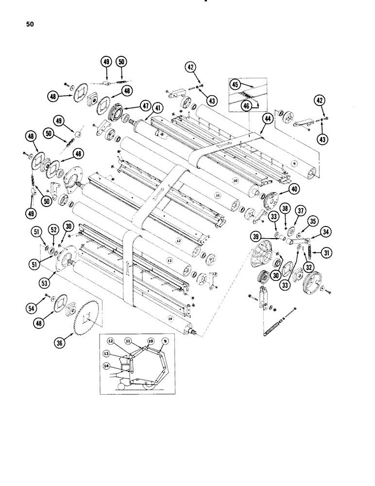
BELTS AND ROLLER ASSEMBLIES 9 THRU 14 (Continued from Page 49)

1шт.

30

120394

WASHER,3/8", SAE

WASHER - flat, 13/32 x 13/16 x 1/16 inch (10 x 20 x 1 mm)

10шт.

31

ZA103192

SPRING

- tension

1шт.

32

432-1220

COTTER PIN,3/16" x 1 1/4"

Pin, Split (Cotter), 3/16" x 1 1/4"

1шт.

33

446257

WASHER,3/4" x 1 3/4" x .148"

- flat, 13/16 x 1-3/4 x 1/8 inch (20 x 44 x 3 mm)

2шт.

34

ZA103344

BRACKET

TIGHTENER - arm

1шт.

271724

PIN,Hex, 5/8" - 11 x 2 1/4", Gr 5

- hex, 5/8 NC x 2-1/4 inch

1шт.

35

23836R1

WASHER

- flat, 21/32 x 1-3/8 x 7/64 inch (16 x 34 x 2 mm)

4шт.

36

ZA104624

SPROCKET ASSY.

SPROCKET - 42 teeth

1шт.

180137

BOLT,Hex, 3/8" - 16 x 2 3/4", Gr 5

- hex, 3/8 NC x 2-3/4 inch

4шт.

37

541857R92

SPROCKET,15T

- idler

1шт.

38

9413960

LOCK NUT,5/8"-11, GB

NUT - hex lock, 5/8 inch NC

1шт.

39

ZA103341

BUSHING

1шт.

40

ZA105055

HOUSING

- pivot left

1шт.

180081

BOLT,Hex, 5/16"-18 x 1 1/4", G5

hex, 5/16"-18 NC x 1-1/4", grade 5

6шт.

41

ZA105013

ROLLER

(No. 10)

1шт.

42

180192

BOLT (SPREADER),Hex, 1/2" - 13 x 3 1/2", Gr 5

BOLT - hex, 1/2 NC x 3-1/2 inch

6шт.

43

120378

NUT,Hex, 1/2" - 13, Gr 5

NUT, 1/2"-13, G5

6шт.

44

ZA104412

BELT,4.75" W 73.22" L

4.75" W x 73.22" L, Top endless (Prior to P.I.N. 001179)

33шт.

44

ZA105005

BELT

- top endless (11 inch wide) (P.I.N. 001180 and after)

15шт.

45

ZA104107

BELT

- Top (4-3/4 inch wide) (Prior to P.I.N. 001179)

33шт.

45

ZA105003

BELT

- Top (11 inch wide) (P.I.N. 001180 and after)

15шт.

46

ZA102971

PIN

(For 4-3/4 inch wide belt) (Prior to P.I.N. 001179)

33шт.

46

ZA102977

PIN

(For 11 inch wide belt) (P.I.N. 001180 and after)

15шт.

47

ZA105054

HOUSING

- pivot right

1шт.

48

ZA104227

SPROCKET ASSY.

SPROCKET - 30 teeth

5шт.

180130

BOLT,Hex, 3/8" - 16 x 2", Gr 5

- hex, 3/8 NC x 2 inch

16шт.

49

ZA304776

SLIDE

- chain

3шт.

27464R1

CARRIAGE BOLT,Sq Nk, 1/2" - 13 x 4", Gr 5

BOLT - round head, square neck, 1/2 NC x 4 inch Type 5

3шт.

50

NSS

NOT SOLD SEPARAT

CHAIN (Use 121 links from roll marked 611362R91, 1 offset link 612612R91 and 1 connecting link 574532R91)

3шт.

611362R91

CHAIN (AG)

CHAIN - 10 foot (3.048 m) roll

1шт.

612612R91

CHAIN LINK

LINK - offset

1шт.

574532R91

CLIP, SPRING

LINK - connecting

1шт.

51

22822R1

WASHER

- flat, 1-21/32 x 2-1/2 x 3/32 inch (42 x 63 x 2 mm)

8шт.

52

462182R91

BEARING, BALL,40mm ID x 90mm OD x 23mm W

BEARING - 1.5753 inch ID (40 mm)

1шт.

53

ZA104589

HOUSING

- bearing

1шт.

18684R1

BOLT,Sht Sq Nk, 3/8" - 16 x 1 1/4", Gr 2

- round head, square neck, 3/8 NC x 1-1/4 inch

5шт.

54

26317R1

BOLT,Hex, 1/2" - 13 x 1 1/4", Gr 8

- hex lock, 1/2 NC x 1-1/4 inch Type 8

1шт.

208790C1

PACKAGE

KIT - belt repair (Box of lacing hooks)

1шт.

124050C1

LACER - belt (6 inch)

1шт.

Выбрано товаров: 40