Запчасти Case IH 3650 (58) - PICKUP, PRIOR TO P.I.N. 001179

Схема запчастей Case IH 3650 - (58) - PICKUP, PRIOR TO P.I.N. 001179
FIT
1:1
100%

Артикул

Название

Примечание

Количество

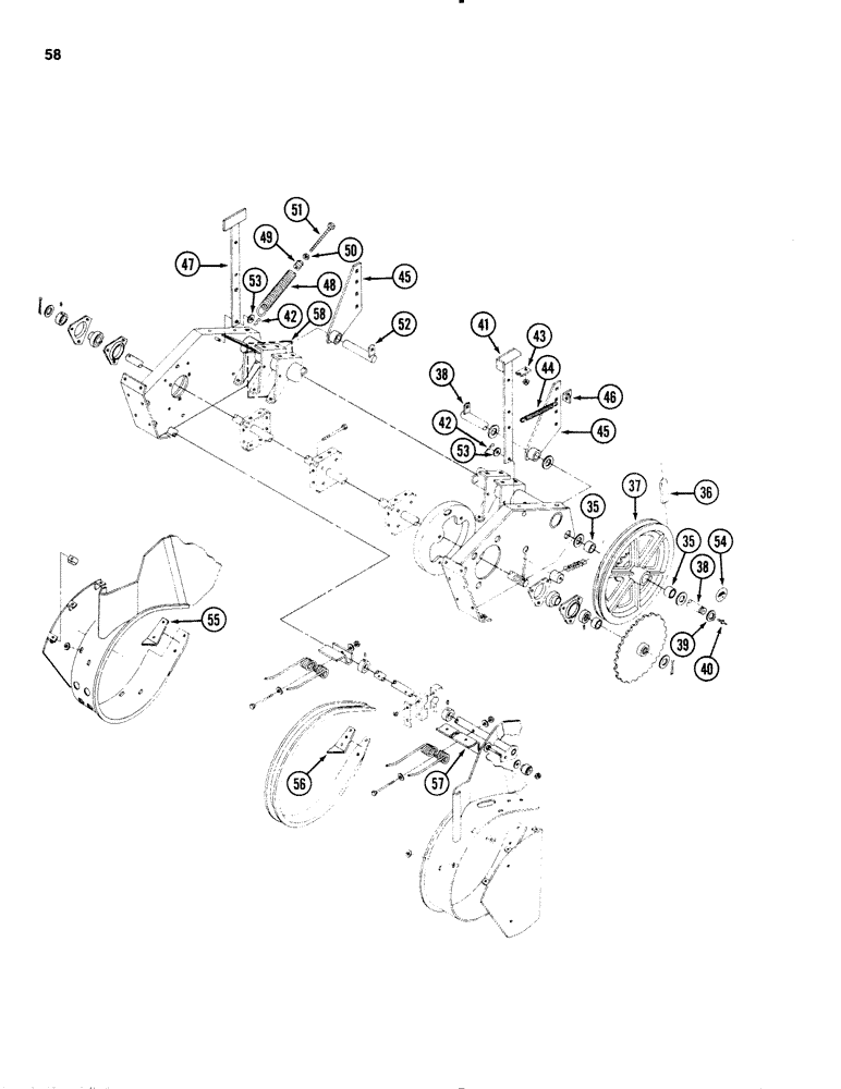
PICKUP (Continued from Page 57)

1шт.

35

1281010C1

BUSHING

2шт.

REF#35 BUSHING MEASURES O.D.1.50 I.D.1.257

1шт.

36

ZA105053

V-BELT,0.66" W x 78.52" L

Speed up (Used with sheave ZA105052) (Interchangeable with ZA104486) 0.66" W x 78.52" L

1шт.

36

ZA104486

V-BELT,0.66" W x 76.75" L

Slow down (Used with sheave ZA105052) (Interchangeable with ZA105053) 0.66" W x 76.75" L

1шт.

37

ZA104375

PULLEY

SHEAVE AND SPROCKET ASSEMBLY

1шт.

38

ZA104443

SHAFT

- pivot left

1шт.

39

152450R1

SNAP RING,#125, Ext

RING - external retaining, 1-5/32 inch

1шт.

40

109461

LUBE NIPPLE,1/8"-27 x .66 lg

NIPPLE, LUBE, , PTF 1/8"-27 x .66 lg

1шт.

41

ZA104464

STOP

- left

1шт.

42

407211R1

CLIP

PIN - clip

2шт.

43

ZA104413

LOCKING PLATE

- lock

1шт.

44

ZA290043

SPRING

- extension

1шт.

45

ZA104461

BRACKET

- pickup mounting

2шт.

46

ZA100457

ANGLE

CLIP - angle

1шт.

47

ZA104503

STOP

- right

1шт.

48

ZA762032

SPRING

1шт.

49

ZA761517

PLUG

- spring

1шт.

50

120378

NUT,Hex, 1/2" - 13, Gr 5

NUT, 1/2"-13, G5

1шт.

51

480556C1

BOLT,Spcl, 1/2" - 13 x 8"

- hex, 1/2 NC x 8 inch

1шт.

52

ZA104441

SHAFT

- pivot right

1шт.

53

NLS

NO LONGER SERVICED

- flat, 21/32 x 1-5/16 x 3/32 inch (16 x 33 x 2 mm)

2шт.

54

NSS

NOT SOLD SEPARAT

DECAL - grease (10 hours) (Order kit 1265869C93)

1шт.

55

ZA103666

DIVIDER

TOOTH DIVIDER - long

20шт.

56

ZA103667

DIVIDER

TOOTH DIVIDER - short

3шт.

57

ZA103715

ANGLE

- tooth support

8шт.

ZA104545

BRACKET

ASSEMBLY

1шт.

REF #58 ON THE PICTORIAL S/B P/N ZA104545 BRACKET ASSY PER B/P. THIS P/N IS LISTED AFTER REF #57. JBEDFORD 5/28/99.

1шт.

Выбрано товаров: 28