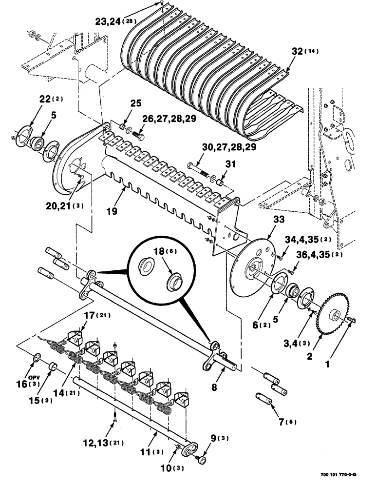
Запчасти Case IH 8420 (03-14) - PICKUP ASSEMBLY Pickup

Схема запчастей Case IH 8420 - (03-14) - PICKUP ASSEMBLY Pickup
28
27
27
17
31
36
34
5
21
4
2
1
20
25
4
11
8
19
6
9
16
29
23
35
13
7
35
3
5
15
32
12
10
24
30
18
28
4
22
26
33
14
29
FIT
1:1
100%

Артикул

Название

Примечание

Количество

1

Q3929

KEY,Gib, 5/16" Sq x 1 1/2"

gib, 5/16" x 1-1/2"

1шт.

2

6284046

PINION

SPROCKET, WA, 50B45

1шт.

3

413-612

BOLT,Hex, 3/8" - 16 x 3/4", Gr 5

3шт.

4

492-11038

LOCK WASHER,3/8"

7шт.

5

700708091

SPHERICAL BEARING,34.93 mm ID x 72 mm OD x 38.89 mm

spherical

2шт.

6

617863R1

FLANGED BEARING

bearing

2шт.

7

700101791

PIVOT PIN,27.56mm OD x 90mm L

6шт.

8

700101784

ROTOR

WA, Includes: Ref. 18

1шт.

9

700705612

CAM FOLLOWER

cam follower

3шт.

10

702700045

LOCK NUT

spiralock, 1/2"-20

3шт.

11

700101780

BAR PLATE

WA tine

3шт.

12

413-632

BOLT,Hex, 3/8" - 16 x 2", Gr 5

21шт.

13

230-4216

LOCK NUT,3/8"-16, GA

Center

21шт.

14

1710102

TOOTH

TINE double

21шт.

15

700101769

SPACER

3шт.

16

495-81197

WASHER,1 3/16" x 1 3/4" x .065"

BUSHING machinery, narrow rim, 1-1/8" x 14 gauge

3шт.

17

6867824

SUPPORT

tine

21шт.

18

700700822

NYLON BEARING,28.931 mm ID x 50.8 mm OD x 15 mm

sleeve

6шт.

Part of Rotor WA P/N 700101784

1шт.

19

700131871

FRAME

WA pickup

1шт.

20

434-616

CARRIAGE BOLT,Sht Sq Nk, 3/8" - 16 x 1", Gr 5

3шт.

21

231-5146

FLANGE NUT,3/8"-16

3шт.

22

51200755

FLANGE

bearing

2шт.

23

433-512

CARRIAGE BOLT,Sq Nk, 5/16" - 18 x 3/4", Gr 5

28шт.

24

231-5145

SERRATED NUT,Flg, USR, 5/16"-18

28шт.

25

6467674

SPACER

1шт.

26

413-1232

BOLT,Hex, 3/4" - 10 x 2", Gr 5

1шт.

27

705566

WASHER

hardened plain, 3/4"

2шт.

28

492-11075

LOCK WASHER,3/4"

3/4"

2шт.

29

425-1012

NUT,3/4"-10, G5

2шт.

30

413-1280

BOLT,Hex, 3/4" - 10 x 5", Gr 5

1шт.

31

6881403

SPACER

1шт.

32

6868129

STRIPPER ASSY.

WRAPPER pickup

14шт.

33

700101789

CAM

cam

1шт.

34

61-43816

HEX SOC SCREW,FLAT, 3/8" - 16 x 1"

cap, hex socket flat countersunk head, 3/8"-16 x 1"

2шт.

35

425-106

NUT,3/8"-16, Cl 5

4шт.

36

413-616

BOLT,Hex, 3/8" - 16 x 1", Gr 5

2шт.

Выбрано товаров: 37