Качественные детали и логистика
Оригинальные и аналоговые запчасти с доставкой по России, Казахстану и Беларуси
©2022 PartSell ООО "Система" ИНН 2463123282 ОГРН 1212400004838
Центральный офис: г. Красноярск, Академика Киренского, д.87, пом.4
Телефон: 8 (800) 777-65-74 Email: zakaz@partsell.ru
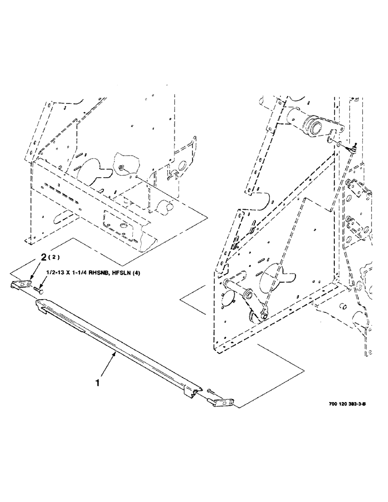
(6-21) - FILLER ASSEMBLY (THROAT)
№
Артикул
Название
Примечание
Количество
1
700120621
FILLER
WA
1шт.
2
1668243
STRAP
2шт.
68619
BOLT,Round, 1/2" - 13 x 1 1/4", Grade 5
1/2-13 x 1-1/4 RHSNB
4шт.
704254
NUT,Flg, USR, 1/2"-13
1/2-13 HFSLN
Выбрано товаров: 0