Качественные детали и логистика
Оригинальные и аналоговые запчасти с доставкой по России, Казахстану и Беларуси
©2022 PartSell ООО "Система" ИНН 2463123282 ОГРН 1212400004838
Центральный офис: г. Красноярск, Академика Киренского, д.87, пом.4
Телефон: 8 (800) 777-65-74 Email: zakaz@partsell.ru
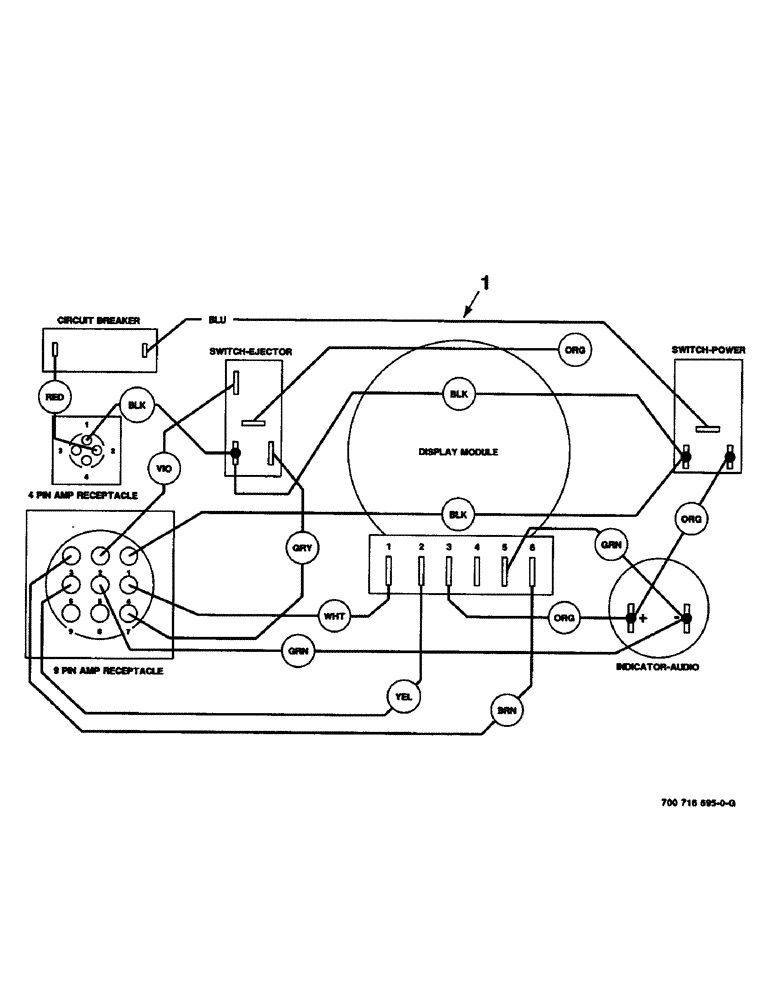
(4-12) - ELECTRICAL CONTROL BOX WIRE SET ASSEMBLY, 700716695 CONTROL BOX ELECTRICAL WIRE SET
№
Артикул
Название
Примечание
Количество
1
700716695
HARNESS
WIRE SET
1шт.
Выбрано товаров: 0