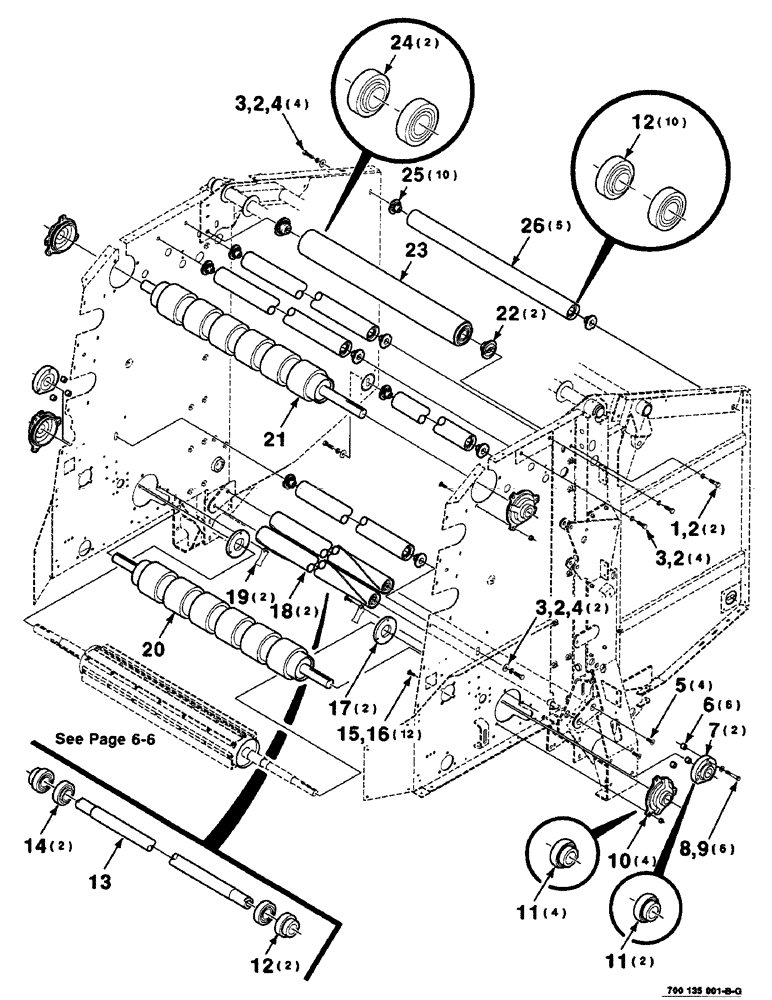
Запчасти Case IH 8435 (6-04) - ROLLER AND SUPPORT ASSEMBLIES, SERIAL NUMBER CFH0124401 AND LATER (12) - MAIN FRAME

Схема запчастей Case IH 8435 - (6-04) - ROLLER AND SUPPORT ASSEMBLIES, SERIAL NUMBER CFH0124401 AND LATER (12) - MAIN FRAME
8
21
14
2
3
11
12
23
3
4
2
12
5
17
25
15
19
7
6
2
18
16
24
20
4
22
2
26
3
13
10
9
1
11
FIT
1:1
100%

Артикул

Название

Примечание

Количество

1

413-1244

BOLT,Hex, 3/4" - 10 x 2-3/4", Gr 5

3/4-10 X 2-3/4 C

2шт.

2

492-11075

LOCK WASHER,3/4"

3/4"

12шт.

3

413-1232

BOLT,Hex, 3/4" - 10 x 2", Gr 5

10шт.

4

700711166

WASHER

3/4 HARDENED WIDE PLAIN WASHER

6шт.

5

700707981

SCREW,FLAT, 3/4" - 10 x 1-3/4"

3/4-10 X 1-3/4 HSFCHCS - special

4шт.

6

214817

SPACER

BUSHING

6шт.

7

700135023

HOUSING

ASSEMBLY - bearing (includes item 11)

2шт.

8

413-848

BOLT,Hex, 1/2" - 13 x 3", Gr 5

1/2-13 X 3 C

6шт.

9

705541

WASHER,0.53" ID x 1.06" OD x 0.14" Thk

1/2 HARDENED PLAIN WASHER

6шт.

10

700132410

BEARING ASSY,50.8 mm ID x 100 mm OD x 10, 7 mm

BEARING ASSEMBLY - 100mm (includes item 11)

4шт.

11

712158

SPHERICAL BEARING,2" ID x 100 mm OD

BEARING - spherical

6шт.

12

8050825

BEARING, ROLLER, CYL,38.1 mm ID x 80 mm OD x 30.163 mm

- cylindrical

12шт.

13

700132353

SHAFT

1шт.

14

F82059

BEARING ASSY,38.1mm ID x 80mm OD x 22mm W

BEARING - cylindrical (includes collar)

2шт.

15

433-824

CARRIAGE BOLT,Sq Nk, 1/2" - 13 x 1 1/2", Gr 5

1/2-13 X 1-1/2 RHSNB

12шт.

16

231-5348

FLANGE NUT,Flg, 1/2"-13

1/2-13 HFTLN GR/G

12шт.

17

700135117

RING

- grass

2шт.

18

700148218

ROLLER

ASSEMBLY (includes items 12, 13 and 14)

2шт.

19

700135188

COVER

2шт.

20

700132345

ROLLER

ASSEMBLY

1шт.

21

700135112

ROLLER

ASSEMBLY - top

1шт.

22

700125071

HUB

2шт.

23

700132350

ROLLER

ASSEMBLY (includes item 24)

1шт.

24

700710914

BEARING, ROLLER, CYL,55.56mm ID x 100mm OD x 24mm W

BEARING - cylindrical

2шт.

25

700100927

HUB

10шт.

26

700116217

ROLL

ER ASSEMBLY (includes item 12)

5шт.

Выбрано товаров: 26