Запчасти Case IH 8450 (038) - CONTROL BOX AND CABLE ASSEMBLIES (06) - ELECTRICAL

Схема запчастей Case IH 8450 - (038) - CONTROL BOX AND CABLE ASSEMBLIES (06) - ELECTRICAL
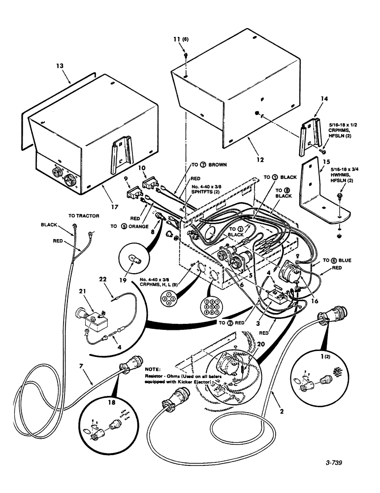
13
4
17
12
22
3
21
19
16
20
1
14
18
15
9
5
7
2
8
11
10
4
6
FIT
1:1
100%

Артикул

Название

Примечание

Количество

1

700707818

RING

Kit - Coupling

2шт.

2

700707360

CABLE

- Electrical

1шт.

3

8799264

SWITCH

- 2 Position

1шт.

3

700126398

KIT

Switch Kit - Service Parts Includes Items 4, 21, and 22

1шт.

4

702700050

FUSE

(5 Amp)

1шт.

5

700707758

CONTAINER

Receptacle - Electrical, 9 Pin

1шт.

6

700707757

CONTAINER

Receptacle - Electrical, 4 Pin

1шт.

7

700707598

WIRE HARNESS

Cable - Electrical

1шт.

8

700707759

INDICATOR

Lamp - Pilot

1шт.

9

700707458

INDICATOR

Light - Indicator, Green

1шт.

10

700707459

INDICATOR

Light - Indicator, Amber

1шт.

11

701607

BRACKET

1/4-20 x 1/2 HWHTCTS

6шт.

12

700116147

COVER

- Control

1шт.

13

700707771

DECAL

- Control Box

1шт.

14

A59457

BRACKET

Socket - Bracket

1шт.

15

6866081

BRACKET

Spade - Socket

1шт.

16

700703984

INDICATOR

- Audio

1шт.

17

700116059

TERMINAL BOX

Control Box Assembly Complete

1шт.

18

700707817

RING

Kit - Coupling

1шт.

Ref #18, Part number 700707817 is incorrectly illustrated. See 8430 Baler, catalog 8-6932 page 4-10. bj 6-11-97

1шт.

19

700710307

BULB

- 12 V

1шт.

20

700709553

RESISTOR

(Used with all Bale Ejector Kickers)

1шт.

21

700711048

IGNITION SWITCH

Switch

1шт.

22

700711019

HARNESS

Wire - Electrical

1шт.

703066

SCREW

5/16-18 x 3/4 HWHMS

2шт.

Выбрано товаров: 25