Запчасти Case IH 8450 (050) - MAINFRAME, TONGUE AND AXLE ASSEMBLIES (12) - MAIN FRAME

Схема запчастей Case IH 8450 - (050) - MAINFRAME, TONGUE AND AXLE ASSEMBLIES (12) - MAIN FRAME
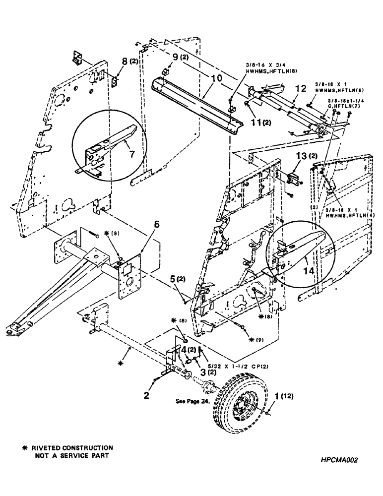
12
11
10
9
8
1
14
2
6
7
13
3
5
4
FIT
1:1
100%

Артикул

Название

Примечание

Количество

1

26328

BOLT,9/16" - 18 x 1.594", Grade 5

9/16-18 x 1-1/8 Wheel Bolt (S.N. CFH0015001 thru 0015766)

12шт.

1

826313

NUT

9/16-18 Wheel Nut (S.N. CFH0015767 and on)

12шт.

2

700114344

SCREW

- Special

2шт.

3

704916

SLOTTED NUT,5/8"-11, G5

5/8-11 Slotted Hex Nut

2шт.

4

300830

SPACER

2шт.

5

87415

LUBE NIPPLE,90 Degree, 1/4" NPT x 3/4" L, Drive

1/4-28 x 90 Degree Zerk

2шт.

6

700116183

TOW BAR

Tongue (Weldment) (S.N. CFH0015001 Thru 0016101)

1шт.

6

700126776

TOW BAR

Tongue (Weldment) (S.N. CFH0016102 and on)

1шт.

7

700114239

ARM

Support - Right (Weldment)

1шт.

8

700118826

SHIM

2шт.

9

700117098

CHANNEL

- Hinge

2шт.

10

700114347

SUPPORT

- Front

1шт.

11

77040

FITTING

1/4-28 x 45 Degree Zerk

2шт.

12

700114271

SUPPORT

- Tailgate

1шт.

13

700118603

SUPPORT

2шт.

14

700114238

ARM

Support - Left (Weldment)

1шт.

702035

BOLT,Hex, 3/8" - 16 x 1 1/4", Gr 5, Full Thd

3/8-16 x 1-1/4 C

7шт.

7883374

SCREW,Hex Washer, 3/8" - 16 x 3/4"

3/8-16 x 3/4 HWHMS

8шт.

7883382

BOLT,Hex, 3/8" - 16 x 1", Gr 120M

3/8-16 x 1 HWHMS

12шт.

704734

FLANGE NUT,Flg, 3/8"-16

3/8-16 HFTLN

28шт.

Выбрано товаров: 20