Запчасти Case IH 8455 (4-02) - ELECTRICAL SENSOR AND ACTUATOR ASSEMBLY (06) - ELECTRICAL

Схема запчастей Case IH 8455 - (4-02) - ELECTRICAL SENSOR AND ACTUATOR ASSEMBLY (06) - ELECTRICAL
26
20
15
11
11
18
25
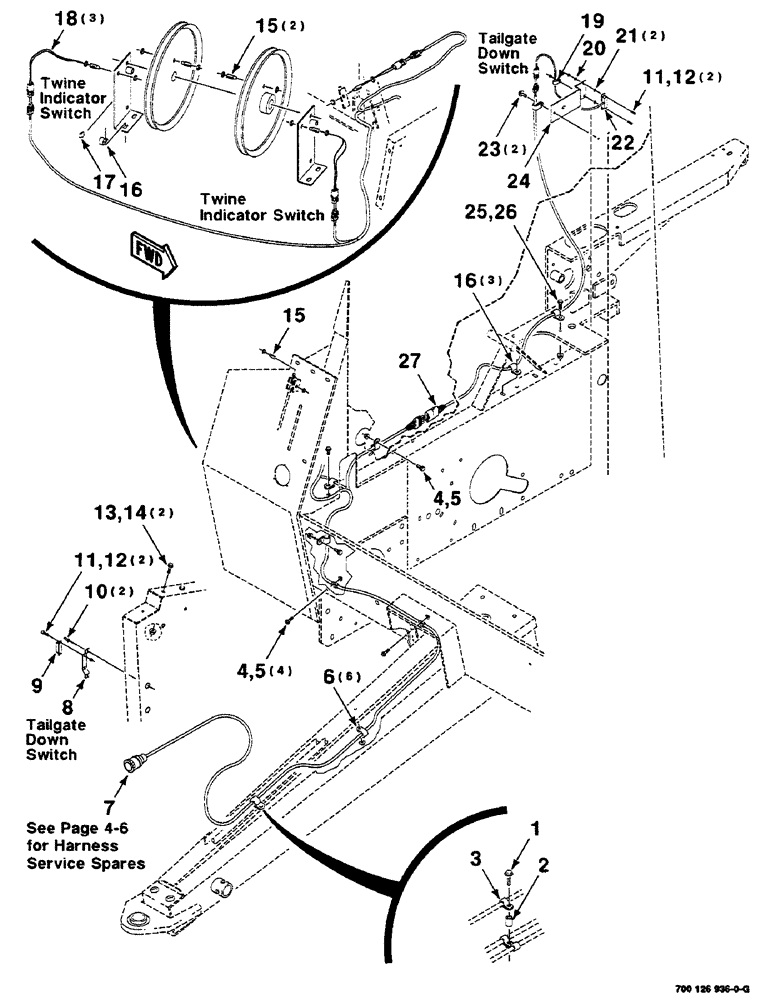
4
5
16
8
27
5
9
22
13
12
6
24
15
17
14
7
16
21
3
19
12
1
4
2
23
10
FIT
1:1
100%

Артикул

Название

Примечание

Количество

1

73528

SELF-TAP SCREW

3/8-16 x 1-1/2 HWHTCTS

1шт.

2

568395R1

SPACER,5/8" Tube x 5/8"

1шт.

3

515-23159

CLAMP,5/8", Insul, 3/8" Bolt

Line 5/8", Insul, 3/8" Bolt

1шт.

4

121-115

SERRATED BOLT,Hex, 5/16" - 18 x 3/4"

5шт.

5

231-5145

SERRATED NUT,Flg, USR, 5/16"-18

NUT, Flg, USR, 5/16"-18

5шт.

6

515-25127

CLAMP,1/2", Insul, 1/2" Bolt

Line 1/2", Insul, 1/2" Bolt

6шт.

7

700711921

HARNESS

- wiring

1шт.

8

700122574

SUPPORT

- actuator

1шт.

9

700709996

SWITCH

ACTUATOR

1шт.

10

51200829

RIVET

- pop

2шт.

11

700710188

SCREW

#6-32 x 3/4 CRPHMS GR60M

4шт.

12

700710189

LOCK NUT

#6-32 LHSN

4шт.

13

409-7612

BOLT,3/8"-16 x 1.09" OAL

3/8-16 x 3/4 HWHMS

2шт.

14

232-5316

FLANGE NUT,Flg, 3/8"-16

3/8-16 HFTLN GR/G

2шт.

15

700710211

ACTUATOR

3шт.

16

515-2295

CLAMP,3/8", Insul, 5/16" Bolt

Line 3/8", Insul, 5/16" Bolt

4шт.

17

700710813

CLIP

- terminal

1шт.

18

700119161

SWITCH

- assembly

3шт.

19

A62209

CLAMP,5/16", Insul, 1/4" Bolt

- line

1шт.

20

700710187

WASHER

#6 PLAIN WASHER - SPL

1шт.

21

700710199

GROMMET

2шт.

22

700710208

ROTARY SWITCH

SWITCH - assembly

1шт.

23

172463

SELF-TAP SCREW,Hex Hd, 5/16" x 1"

5/16-18 x 3/4 HWHTCTS

2шт.

24

700122570

SUPPORT

- switch

1шт.

25

121-226

SERRATED BOLT,Hex, 3/8" - 16 x 1"

1шт.

26

231-5146

FLANGE NUT,3/8"-16

1шт.

27

700708970

HARNESS

- wire (Used without Kicker Ejector)

1шт.

Выбрано товаров: 27