Запчасти Case IH 8455 (4-08) - ELECTRICAL HARNESS SERVICE PARTS (06) - ELECTRICAL

Схема запчастей Case IH 8455 - (4-08) - ELECTRICAL HARNESS SERVICE PARTS (06) - ELECTRICAL
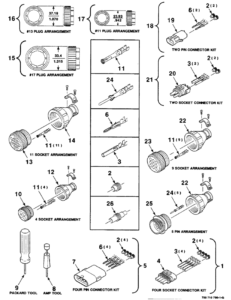
17
8
3
9
4
3
23
6
24
11
3
5
2
26
12
6
24
22
1
15
2
14
22
2
11
19
16
2
10
20
13
2
6
25
18
11
21
11
7
FIT
1:1
100%

Артикул

Название

Примечание

Количество

1

700707002

REPAIR KIT

FOUR WAY - connector repair kit, female (Includes items 2, 3 and 4)

1шт.

2

700706400

PLUG

SEAL

1шт.

3

700708760

ELEC. TERMINAL PIN,18 - 20 SAE

- socket (18 - 20 Gauge wire)

1шт.

4

700708963

WIRE CONNECTOR

FOUR WAY - connector, female

1шт.

5

700709354

REPAIR KIT

FOUR WAY - shroud connector repair kit (Includes items 2, 6 and 7)

1шт.

6

700706401

TERMINAL

PIN - terminal (18-20 Gauge wire)

1шт.

7

700708964

WIRE CONNECTOR

FOUR WAY - connector, male

1шт.

8

131503C1

TOOL

- connector repair (AMP)

1шт.

9

700707012

TERMINAL CONNECTOR

TOOL - connector repair (Packard)

1шт.

10

700709232

POWER SOCKET

RECEPTACLE - standard sex (#11-4 Plug)

1шт.

11

700708758

TERMINAL

SOCKET - type III, gold/nickel

1шт.

12

700709233

CLAMP

(Shell size 11)

1шт.

13

225171C1

ELEC CONNECTOR,Female, 16 Pin

PLUG - connector, standard sex (17 - 16 Plug arrangement)

1шт.

14

700708756

CLAMP

- cable (Shell size 17)

1шт.

15

1301191C1

CONNECTION

RING - coupling (#17 Plug arrangement)

1шт.

16

60-6127T2

CONNECTION

RING - coupling (#13 Plug arrangement)

1шт.

17

60-6126T2

CONNECTION

RING - coupling (#11 Plug arrangement)

1шт.

18

700708753

REPAIR KIT

KIT - harness repair (Includes items 2, 6 and 19)

1шт.

19

700706399

ELEC CONNECTOR,14 - 20 SAE

TWO WAY - connector, male shroud

1шт.

20

700708761

ELEC CONNECTOR,Female

TWO WAY - connector, Female

1шт.

21

700706999

REPAIR KIT

KIT - harness repair (Includes items 2, 3 and 20)

1шт.

22

700709708

CLAMP

- cable

1шт.

23

700709704

WIRE CONNECTOR

PLUG - receptacle

1шт.

24

700708757

ELEC. TERMINAL PIN,18 - 16 SAE

PIN - type III, gold/nickel

1шт.

25

700708079

WIRE CONNECTOR

RECEPTACLE - standard sex (13 - 9 Pin arrangement)

1шт.

26

700708965

PLUG

1шт.

Выбрано товаров: 26