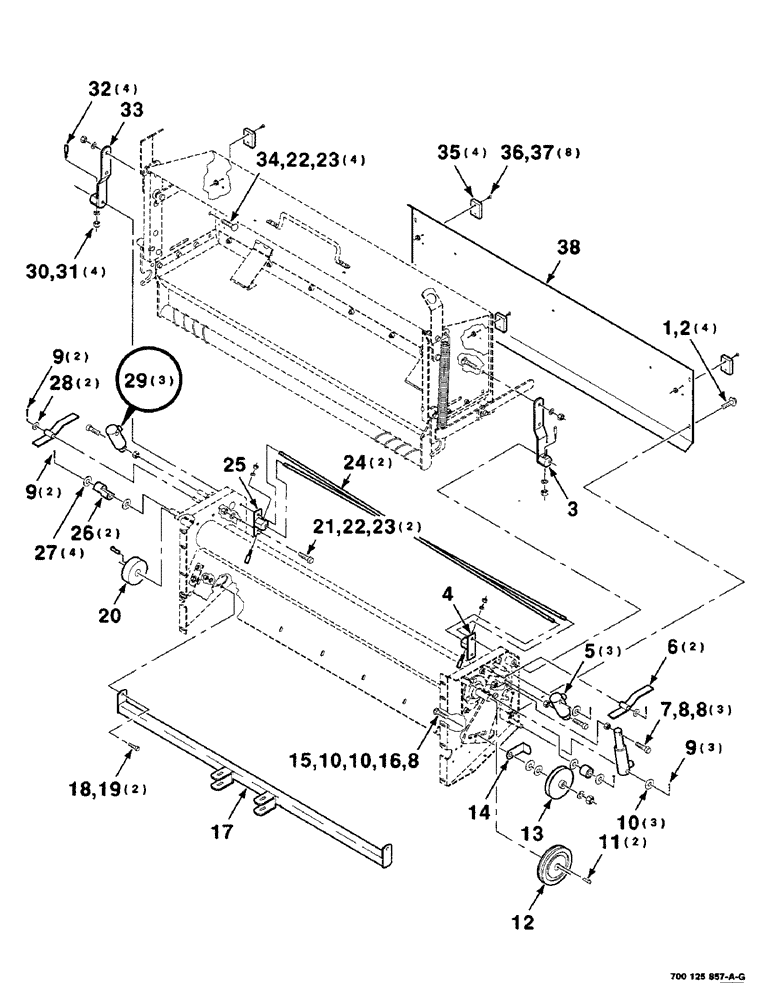
Запчасти Case IH 8455T (9-62) - MESH WRAP BOX AND ROLLER DRIVE ASSEMBLIES, SERIAL NUMBER CFH0084501 THROUGH CFH0084570 Decals & Attachments

Схема запчастей Case IH 8455T - (9-62) - MESH WRAP BOX AND ROLLER DRIVE ASSEMBLIES, SERIAL NUMBER CFH0084501 THROUGH CFH0084570 Decals & Attachments
10
10
20
9
26
16
19
6
18
38
4
8
9
23
15
24
11
5
22
9
25
2
36
22
31
28
8
12
17
33
3
30
8
29
21
13
34
32
27
7
35
14
37
1
23
10
FIT
1:1
100%

Артикул

Название

Примечание

Количество

1

121-115

SERRATED BOLT,Hex, 5/16" - 18 x 3/4"

4шт.

2

231-5145

SERRATED NUT,Flg, USR, 5/16"-18

NUT, Flg, USR, 5/16"-18

4шт.

3

700125752

HINGE

WA - left

1шт.

4

700125756

ADAPTER

WA - left

1шт.

5

700710874

CYLINDER

- hydraulic (Includes item 29)

3шт.

6

700125750

LATCH

WA

2шт.

7

413-836

BOLT,Hex, 1/2" - 13 x 2-1/4", Gr 5

3шт.

8

425-108

NUT,1/2" - 13, Gr 5

NUT, 1/2"-13, G5

7шт.

9

432-816

COTTER PIN,1/8" x 1"

1/8" x 1"

7шт.

10

705541

WASHER,0.53" ID x 1.06" OD x 0.14" Thk

1/2 HARDENED PLAIN WASHER

5шт.

11

Q3914

KEY,Gib, 1/4" Sq x 1 1/2"

1/4 X 1-1/2 GIB KEY

2шт.

12

700125843

SHEAVE

1шт.

13

54833

FRONT IDLER

IDLER - V

1шт.

14

700125855

GUIDE

- belt

1шт.

15

433-832

CARRIAGE BOLT,Sq Nk, 1/2" - 13 x 2", Gr 5

1/2-13 X 2 RHSNB

1шт.

16

80679

LOCK WASHER,1/20.507 CST ZND

WASHER, LOCK, 1/2"

1шт.

17

700125866

SUPPORT

WA

1шт.

18

413-612

BOLT,Hex, 3/8" - 16 x 3/4", Gr 5

2шт.

19

231-5146

FLANGE NUT,3/8"-16

2шт.

20

700125830

DRUM

- brake

1шт.

21

413-616

BOLT,Hex, 3/8" - 16 x 1", Gr 5

2шт.

22

492-11038

LOCK WASHER,3/8"

6шт.

23

425-106

NUT,3/8"-16, Cl 5

6шт.

24

700125913

SPRING

- torsion

2шт.

25

700125759

ADAPTER

WA - right

1шт.

26

700710931

BUSHING

2шт.

27

396-21066

WASHER,16.66mm ID x 33.33mm OD x 4.27mm Thk

- 5/8" bolt size 21/32" x 1 5/16" x .150", HDN

4шт.

28

496-11041

WASHER,13/32" x 13/16" x .065", HDN

3/8 HARDENED PLAIN WASHER

2шт.

29

700710941

SEAL KIT

KIT - seal

3шт.

30

492-11025

LOCK WASHER,1/4"

WASHER, LOCK, 1/4"

4шт.

31

425-104

NUT,1/4"-20, Cl 5

4шт.

32

700125760

WEDGE

4шт.

33

700125755

HINGE

WA - right

1шт.

34

434-616

CARRIAGE BOLT,Sht Sq Nk, 3/8" - 16 x 1", Gr 5

3/8-16 X 1 RHSNB

4шт.

35

700710930

PAD

4шт.

36

440-12512

SCREW,Cross Pan Hd, 1/4"-20 x 3/4"

GR 2 Cross Pan Hd, 1/4"-20 x 3/4"

8шт.

37

231-5144

SERRATED NUT,Flg, USR, 1/4"-20

8шт.

38

700125865

SHIELD

1шт.

700131986

SHIELD

1шт.

Выбрано товаров: 39