Запчасти Case IH 8460 (141) - BALE STARTING KIT Decals & Attachments

Схема запчастей Case IH 8460 - (141) - BALE STARTING KIT Decals & Attachments
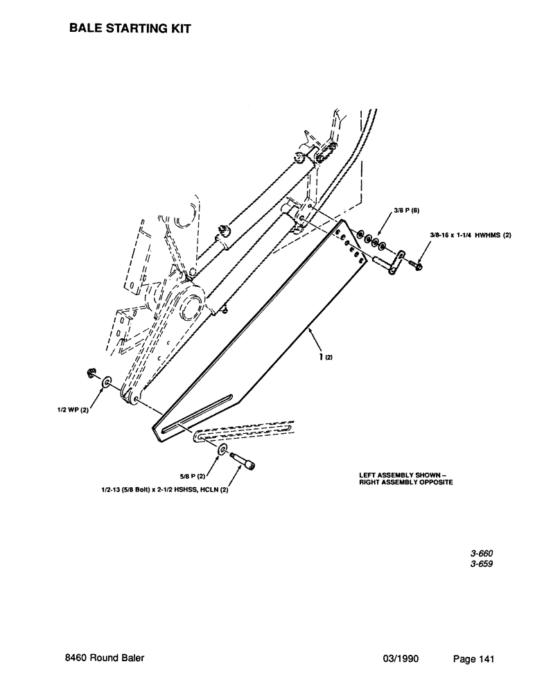
1
FIT
1:1
100%

Артикул

Название

Примечание

Количество

HK50579

BALE STARTING KIT COMPETE

1шт.

1

700118818

LINK

2шт.

7883408

BOLT,Hex, 3/8" - 16 x 1 1/4", Gr 8

3/8-16 x 1-1/4 HWHMS

2шт.

771949

HEX SOC SCREW,Shoulder, 1/2" - 13 - 5/8" x 2 1/2", Gr 8

3/8-16 x 2-1/2 HSHSS (5/8 bolt)

2шт.

704288

LOCK NUT

1/2-13 HCLN

2шт.

Выбрано товаров: 0